J14A、C、D、G、M系列矩形电连接器
概 述
·属于低频电连接器
·J14M为低磁型。
·双保险锁紧机构,是矩形电连接器中兼顾操作快捷、使用可靠的连接锁紧形式。
·圆角防反插设计。
·体积小,重量轻。
·端接形式为焊接。
·该系列产品规格齐全,可分为针式、孔式插头;针式面板式、孔式面板式插座;
针式电缆式、孔式电缆式插座等多种规格。另外J14A系列插座还有直插印制板形式
和90°弯插印制板形式。
适用范围
适用于战略武器系统、航天卫星系统、运载火箭、地面保障系统.也可广泛用
于各种电子仪器,仪表及电缆间的连接。
使用环境条件
-工作温度:-55℃—+125℃ -正弦振动:10~2000Hz,加速度196m/s2
-相对湿度:40±2℃时,90%~95% -冲击:980m/s2
-大气压力:101.3KPa~1.33Pa -加速度:780m/s2
J14A、C、D、G、M、P系列 双保险锁紧机构,是矩形电连接器中兼顾操作快捷、使用可靠的连接锁紧形式。端接形式为焊接,J14P采用为非金属化外壳,J14M为低磁型。该系列矩形电连接器执行Q/HD20037-2007详细规范,属于仪器式电连接器,具有体积小、密度高、双保险锁紧等特点,其锁紧机构连接锁紧无需动作空间,可靠性高。该产品的端接形式为焊接,广泛应用于航天、航空、兵器、舰船、通讯、计算机等行业的设备仪器舱内部电信号连接.
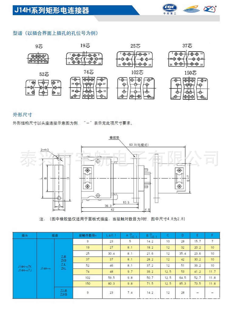
J14H玻璃封结系列: 气密型插座,可以和普通插头插合。
该系列矩形电连接器,执行Q/HD20037-2007详细规范,属于低频系列,采用双保险锁紧结构,是矩形电连接器中兼顾操作快捷、使用可靠的连接锁紧形式。该系列产品在J14A系列连接器外壳的基础上,增加了接触件的密度和防雨功能,具有圆角防误插设计,体积小,重量轻,插座面板固定,端接形式为导线压接式,电缆规格和长度由用户确定,主要适用于各种电子仪器间的电气连接。
J14E系列 双保险锁紧机构,直角-圆角防反插。
J14F系列 推拉式锁紧机构,端接形式为压接。
J14H系列 双保险锁紧结构,体积小,密度高,端接形式为焊接。
J14Q系列 螺钉锁紧机构,电缆罩直出线、90°出线。端接形式为焊接。
J14B矩形连接器在J14A系列连接器外壳的基础上,增加了接触件的密度和防雨功能。带电缆,端接形式为压接,电缆规格和长度由用户确定.
J14T矩形连接器 双保险锁紧机构,具有防露密封功能。
J14B矩形连接器
概 述
·属于低频电连接器
·双保险锁紧机构,是矩形电连接器中兼顾
操作快捷、使用可靠的连接锁紧形式。
·在J14A系列连接器外壳的基础上,增加了
接触件的密度好和防雨功能。
·圆角防反插设计。
·体积小,重量轻。
·插座面板式固定。
·带电缆,端接形式为压接,电缆规格和长
度由用户确定。
适用范围
适用于各种电子仪器间的电气连接。





