手动针阀概述
针型阀是仪表测量管路系统中重要组成部分,主要有截止阀和球阀,其功用是作开启或切断管道通路用。
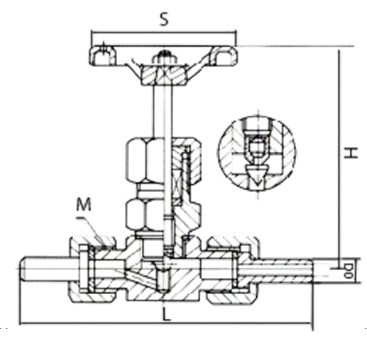
规格示例图


手动对焊针阀、尺寸表(DIN)
SIZE | M | D0 | L | H | S | 重量(KG) |
DN6 | M20×1.5 | ø14×4 | 140 | 96 | 63 | 0.85 |
DN10 | M24×1.5 | ø18×4 | 160 | 115 | 78 | 1.1 |
DN15 | M30×2 | ø22×4 | 180 | 122 | 100 | 2.0 |
DN20 | M36×2 | ø28×4 | 220 | 156 | 110 | 3.5 |
DN25 | M39×2 | ø33×4 | 230 | 170 | 140 | 4.3 |
手动螺纹针阀、尺寸表(DIN)
SIZE | G | L | H | S | 重量(KG) |
DN6 | 1/4 | 60 | 90 | 63 | 0.65 |
DN10 | 3/8 | 60 | 92 | 63 | 0.65 |
DN15 | 1/2 | 65 | 98 | 63 | 0.8 |
DN20 | 3/4 | 80 | 110 | 78 | 1.0 |
DN25 | 1 | 90 | 125 | 100 | 1.0 |
DN32 | 1 1/2 | 128 | 180 | 140 | 5.0 |