微小型单浮子液位开关
描述
标准的浮球开关,传感器必须垂直安装以达到效果。可以顶部安装或底部安装
提供PP和PA两种外壳材料,同时多种浮球可供选择:
PP(聚丙烯):用于水和稀酸;
EPS(聚苯乙烯):用于蒸馏水;
NBR(丁晴橡胶):用于汽油、柴油;
PA(聚酰胺):用于石油、汽油和制动液;
SUS(不锈钢):可用于饮用水、石油、润滑脂、润滑油、抗冻液、制动液、柴油、动力转向液、含汽油溶剂、汽油、煤油、水、含水清洗溶液、其他非侵蚀液体。
应用
液位控制,高低位的一个液位控制,如满水报警,缺水报警类;
液位测量,各个液位的控制测量,这个是根据客户的具体应用来设计制造;
家用电器、汽车、测试测量和控制技术中的液体容器监测。
规格
触点形式 1A, 1B
额定功率 (W) 0 至 100
切换电压 (VDC) 0 至 400
切换电流 (A) 0 至 1.5
通电电流 (A) 0 至 2.5
最小击穿电压 (VDC) 100 至 700
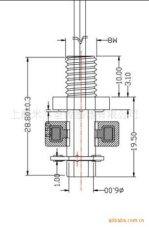
尺寸图

关键字:浮球开关,液位开关,浮球液位传感器,浮球液位开关,浮子开关,水位接近开关,油位开关,油位传感器
| 型号 | LS01 | LS02 | LS02S | LS03 | LS11 |
| 外壳尺寸 | M8, L-37 | M8, L-42.5 | L-42.5 | M8, L-53 | L-44.2 |
| 特点 | 最小尺寸 | 极高性价比 | 螺丝安装型 | 极高性价比 | 螺丝安装型 |
| 特点及用途 | 经典设计,尺寸紧凑; 常开,常闭可选择; 无待机功率消耗; 客户可自定义动作距离,线长和端子; 密封设计,可工作于恶劣环境,性能稳定,寿命超长。 在家电、汽车和工业控制等领域大量使用。 |
| 触点形式 | 1A,1B | 1A,1B | 1A,1B | 1A,1B | 1A,1B |
| 触点负载 | 10W | 10/50W | 10/50W | 10/50W | 10/50W |
| 最大开关电压 | 200/300 | 200/300 | 200/300 | 200/300 | 200/350 |
| 最小击穿电压 | 250/450 | 250/500 | 250/500 | 250/500 | 250/500 |
| 最大开关电流 | 0.5A | 0.5A | 0.5A | 0.5A | 0.5A |
| 最大负载电流 | 1.0/1.5 | 1.0/2.5 | 1.0/2.5 | 1.0/2.5 | 1.0/2.5 |
| 工作温度范围 | -20℃ to +80℃ |
| 外壳材料 | PP |









