玖容JRK磁性可调气液增压缸:与标准型增压缸无大区别。在缸体安装一磁环配置磁性开关。用户可根据磁性开关灵活控制增压力行程。
操作说明
·产品名称:JRK磁性可调气液增压缸
·作动方式:双动
·作动条件:4~7kg/cm²压缩空气
·液压抗磨油:VG68#抗磨液压轴
·工作温度:0~60℃
·操作速度:50~40mm/s
·油缸耐压:300kg/ cm²
·气缸耐压:12kg/ cm²
·预压行程公差:+1.00mm 0.00mm
·力行程公差:+0.20mm 0.00mm
·工作频率:25~45次/min(与行程长短成反比)
·高压出力:1~40吨
产品特点
·结构合理,外形纤细美观,
·动作速度,出力大,平稳
·缸体安装磁环感应开关,
可用于调节增压行程
·适用于:挤压,弯曲,冲孔,成型,铆合,
修毛边,装配及等作业:
·安装方式:正装
·可接受特殊规格订制
产品提升及理论高压出力对照表
缸径及吨位 | 4kg/cm² | 5kg/cm² | 6kg/cm² | 7kg/cm² |
增压出力 | 回程力 | 增压出力 | 回程力 | 增压出力 | 回程力 | 增压出力 | 回程力 |
63/1T | 985 | 80 | 1232 | 100 | 1478 | 120 | 1725 | 140 |
63/3T | 2400 | 80 | 3000 | 100 | 3600 | 120 | 4300 | 140 |
80/5T | 4000 | 140 | 5000 | 180 | 6000 | 220 | 7000 | 260 |
100/10T | 7850 | 240 | 9800 | 300 | 17700 | 360 | 13700 | 420 |
100/15T | 12200 | 240 | 15300 | 300 | 18300 | 360 | 21400 | 420 |
125/20T | 16000 | 360 | 20000 | 540 | 24000 | 540 | 28000 | 630 |
125/30T | 20000 | 360 | 25100 | 450 | 30100 | 530 | 35100 | 620 |
160/40T | 28900 | 650 | 36100 | 800 | 43400 | 1050 | 50600 | 1100 |
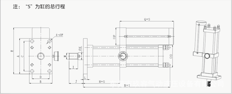
JRK磁性可调气液增压缸安装尺寸表:

备注:1以上数据为标准型1~80吨增压缸尺寸参数,为我司自定标准数据,如因实际工作需要,可定制特殊规格,
2编号“N”是以10mm增压行程计算,如增压力行程度不同时,请以我司工程图纸实际尺为准。
3我司工作表中出力吨位均以6kg/cm²工作气压计算。
工作原理:
气液增压缸原理:系将一增压油缸与一增压气缸作一体式结合。使用纯气压作为动力源,利用增压器之大小活塞截面积之比及帕斯卡能源守衡原理而工作。将气压之低压提高数十倍供应油压缸使用,从而达到产品成型的目的。

气液增压缸与纯气缸,油缸相对比,其优点系:
A:油缸体小而力大,可恒速和变速(改变方便),出力的调整也教方便,传动的自由度教高.但维护成本和安装成本都教高,且有油温和污染的麻烦.
B:气缸控制方便,价格教低,能源取得方便.但力小,增压过程反弹,无法达到稳速的效果.
C:气液增压缸兼具以上两项的优点:环保节能,控制方便,调整也很简单.但出力的行程有一定限制,比较适合在短行程,大出力,又要环保节能且低配置的场合
~玖容增产品推荐 点击了解》》》
~气液增压缸系列:

JRAA标准型水平安装气液增压缸 JRA标准型气液增压缸 JRB增压行程可调气液增压缸

JRC总行程可调节气液增压缸 JRD总行程及力行程可调增压缸 JRE直压式气液增压缸

JRF快速单列式增压缸 JRG复合式气液增压缸 JRK:磁性可调气液增压缸

JRM快速型气液增压缸 JRP紧凑型气液增压缸 JRT紧凑型倒装气液增压缸
-----------------------------------------------------------------------------------------------------------------------------------------
气液增压缸广范应用:
适用可用于:挤压,折弯;成型;冲孔;裁断;铆压铆合;修毛边;装配及打印等;适用于塑胶机械,铆机机械、鞋机设备、塑料机械、橡胶机械、压力机械、冶金机械、印刷机械,电子产品, 工程设备,锂电池设备、电声设备、纸塑设备等高周波超声波及自动化行业.
(本公司承诺产品2年内非人为损坏,提免费保修服务)
本公司经营气液增压缸,质量保证,欢迎咨询洽谈。杨小姐0769-23103048