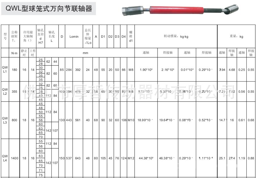
QWL型球笼式万向联轴器



注:更大扭矩和轴孔 可非标订制,可来图来样加工。
佛山市南海区厚哲传动器材有限公司:位于广东省佛山市,属联轴器生产型企业[原立辉传动件配件厂].是国内做小型万向联轴器最早的企业之一。
公司拥有专业型、技术型的生产队伍。具备过硬的开发设计能力;可根据用户要求,设计制造各种非标及异形联轴器,以满足特殊要求。自主开发的"可拆式万向联轴器"巳获国家专利.
现有产品:小型万向联轴器、可拆式万向联轴器、球铰式万向联轴器、梅花联轴器、星形联轴器、凸缘联轴器、膜片联轴器 、弹性柱销联轴器 、十字滑块联轴器……等。主要为各公司机械维修、设备选型提供产品或技术支持。产品已与数控机床、食品机械、印刷机械、包装机械、玻璃机械、木工机械、造纸机械,压铸设备,铁路养路设备,矫正机械……等制造厂家配套,建立长期合作关系。
公司经营理念:每走一步想到的是用户