





一、优势:行星摆线减速机是一种应用行星传动原理,采用摆线针轮啮合,设计先进、结构新颖的减速机构。这种减速机在绝大多数情况下已替代两级、三级普通圆柱齿轮减速机及圆柱蜗杆减速机,在军工、航天、冶金、矿山、石油、化工、船舶、轻工、食品、纺织、印染、制药、橡胶、塑料、及起重运输等方面得到日益广泛的应用。行星摆线减速机是一种应用行星传动原理,采用摆线针轮啮合,设计先进、结构新颖的减速机构。这种减速机在绝大多数情况下已替代两级、三级普通圆柱齿轮减速机及圆柱蜗杆减速机,在军工、航天、冶金、矿山、石油、化工、船舶、轻工、食品、纺织、印染、制药、橡胶、塑料、及起重运输等方面得到日益广泛的应用。
摆线减速机是一种采用摆线针齿啮合的新颖传动装置。摆线减速机全部传动装置分为:输入、减速、输出三部分。摆线减速机广泛的应用于石油、环保、化工、水泥、输送、纺织、制药、食品、印刷、起重、矿山、冶金、建筑、发电等行业,做为驱动或减速装置,受到广大用户的普遍欢迎。
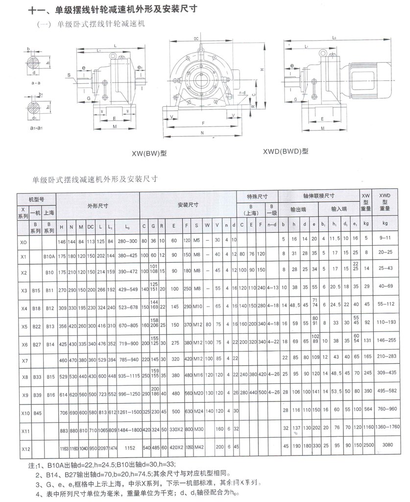
摆线减速机的使用条件:(1)摆线减速机允许使用在连续工作制的场合,同时允许正、反两个方向运转。 (2)输入轴的转速额定转数为1500转/分,在输入功率大于18.5千瓦时建议采用960转/分的6极电机配套使用。(3)卧式安装摆线减速机的工作位置均为水平位置。(4)摆线减速机的输出轴不能受较大的轴向力和径向力,在有较大轴向力和径向力时须采取其他措施。
河北华桥减速机有限公司是生产各类型减速机的专业生产厂家,有30年的制造历史。在设计、加工制造及工艺方面积累了丰富的经验。以为客户解决传动技术难题、提供最佳传动技术方案为最高追求。
公司主要产品:行星摆线针轮减速机、蜗轮减速机、蜗轮丝杠升降机、河北减速机、、圆柱蜗杆减速机等产品.河北华桥减速机争的锤炼和自身的不断提升,公司在同行业中以最优质的售后服务得到了客户的好评.公司秉承"诚信 品质 服务 发展 超越"的经营理念,面向国内外用户,用户的需求是我们永远的追求.
更多信息浏览我公司网站:
二、使用与维护
(一)使用
1.本减速机使用于24小时连续工作,并允许正反向运转。
2.单级减速机的输出轴转向相反,双级减速机的输出轴向于输入轴向相同。
3.本减速机无自锁作用。
4.本减速机的输出轴不能承受轴向力。
5.在可能出现过载现象的使用场合,应安装过载保护装置。
6.脚板式卧装摆线减速机要安装在没有振动、十分坚固的水平基础上,在必须进 行倾斜安装的使用场合,减速机轴心线的倾斜度不得大于+-15℃ 。
7.法兰式立装摆线针轮减速机在安装时,输出轴垂直向下。
8.如需要采用脚板式卧装和法兰式立装以外的其他特殊安装形式,必须采取相应 的润滑和密封措施来保证减速机润滑充足和防止漏油。请与我公司技术部门联 系。
9.采用油脂润滑的摆线针轮减速机安装角度自由。
10.减速机安装时,可用垫块进行调整,垫块在高度方向不超过三块,也可用楔 铁进行调整,但减速机校准后必须换入平垫块。
11.在冲击,振动较大或启动频繁的使用场合,机座与基础除用底脚螺栓进行连接 之外,还需要定位销(自备)进行加固。
12.标准型摆线针轮减速机的输入和输出轴的轴伸端形式为圆柱形,采用普通平键 连接。轴径尺寸公差根据GB1801-79《公差与配合》的规定。普通平键尺寸按 GB1096-79《普通平键型式尺寸》的规定。连接法兰止口按GB1801-79的(h9)配 合。
13.当采用联轴器把摆线针轮减速机与配套的机械连接时,推荐用弹性联轴器。
14.减速机与想配套的机械用联轴器连接时,两者轴心线的同心度不得超过联轴器 所允许的范围。
15.当摆线针轮减速机与齿轮、链轮相联接时,必须保证两者轴心线平行度。
16.当使用链轮来进行传动时,不要把齿链放得过松,否则在启动时会产生冲击力 。
17.在联轴器、齿轮、链轮等联接件连接摆线针轮减速机的输出轴时,不得采用直 接锤击的方法,应利用轴伸端螺孔旋入螺栓,通过压板压入。
18.安装后的减速机,正式使用前必须进行试运转。在空载运转正常的情况下,在 逐渐加载运转。
以上参数仅供参考 以实物为准