
产品说明:
ISG型系列单级单吸管道离心泵,是本单位科技人员联合国内水泵专家选用国内优秀水力模型,采用IS型离心泵之性能参数,在一般立式泵的基础上进行巧妙组合设计而成,同时根据使用温度、介质等不同在ISG型基础上派生出适用热水、高温耐腐蚀化工泵、油泵。该系列产品具有高效节能、噪音低、性能可靠等优点,符合最新国家机械部JB/T53058-93的标准要求,产品按国际ISO2858标准设计制造。
工作条件
1.吸入压力≤1.0MPa,或泵系统最高工作压力≤1.6MPa,即吸入口压力+泵扬程≤1.6MPa、泵静压试验压力为≤2.5MPa,订货时请注明系统工作压力。泵系统工作压力大于1.6MPa时应在订货时另行提出,以便在制造时泵的过流部分和联接部分采用铸钢材料。
2.环境温度<40℃,相对湿度<40%。
3.所输送介质中固体颗粒体积含量不超过单位体积的0.1%,粒度<0.2mm。
注:如果用介质为带有细小颗粒,请在订货时说明,以便厂家采用耐磨式机械密封。
产品特点:
1.泵为立式结构,进出口口径相同,且位于同一中心线上,可象阀门一样安装于管路之中,外形紧凑美观,占地面积小,建筑投入低,如加上防护罩则可置于户外使用。
2.叶轮直接安装在电机的长轴上,轴向尺寸短,结构紧凑,泵与电机轴承配置合理,能有效地平衡泵运转产生的径向和轴向负荷,从而保证了泵的运行平稳,振动小、噪音低。
3.轴封采用机械密封或机械密封组合,采用进口钛合金密封环、中型耐高温机械密封和采用硬质合金材料,耐磨密封,能有效地延长机械密封的使用寿命。
4.安装检修方便,无需拆动管路系统,只要卸下泵联体座螺母即可抽出全部转子部件。
5.可根据使用要求即流量和扬程的需要采用泵的串、并联运用方式。
6.可根据管路布置的要求采用泵的竖式和横式安装。
产品用途:
1.ISG型立式管道离心泵,供输送清水及物理化学性质类似于清水的其他液体之用,适用于工业和城市给排水、高层建筑增压送水、园林喷灌、消防增压、远距离输送、暖通制冷循环、浴室等冷暖水循环增压及设备配套,使用温度T<80℃。
2.IRG型立式热水泵适用于冶金、化工、纺织、木材加工、造纸以及饭店、浴室、宾馆等锅炉高温热水增压循环输送以及城市住房采暖循环用泵,使用温度120℃以下。
3.GRG型立式高温离心泵广泛用于:能源、冶金、化工、纺织、造纸以及饭店、浴室、宾馆等锅炉高温热水增压循环输送以及城市住房采暖循环用泵,使用温度240℃以下。
4.IHG型立式管道化工泵,供输送不含固体颗粒,具有腐蚀性,粘度类似于水的液体,适用于石油、化工、冶金、电力、造纸、食品制药和合成纤维等部门,使用温度为-20℃ ~ 120℃。
5.YG立式管道油泵,供输送汽油、煤油、柴油等石油产品,被输送介质温度为-20℃ ~ + 120℃。
6.IHGB型立式不锈钢防爆型化工离心泵,适用于输送易燃性化工液体。
7.ISGD型立式低速离心泵,适用于环境噪声要求很低的场合及空调循环等。
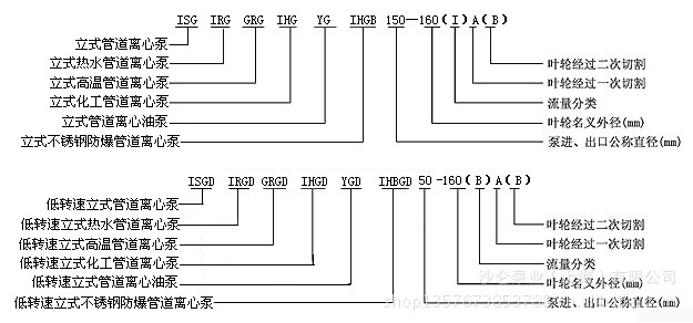
型号说明:
