
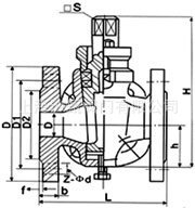
公称压力 PN(MPa) | 公称通径 DN(mm) | 尺寸(mm) |
L | D | D1 | D2 | z-φd | □s | h | H |
1.0 | 25 | 145 | 115 | 85 | 56 | 4╳φ14 | 17 | 38 | 133 |
32 | 170 | 135 | 100 | 78 | 4╳φ18 | 18 | 45 | 152 |
40 | 180 | 145 | 110 | 85 | 4╳φ18 | 24 | 55 | 212 |
50 | 200 | 160 | 125 | 100 | 4╳φ18 | 28 | 74 | 260 |
65 | 220 | 180 | 145 | 120 | 4╳φ18 | 32 | 82 | 295 |
80 | 250 | 195 | 160 | 135 | 4╳φ18 | 40 | 95 | 327 |
100 | 300 | 215 | 180 | 155 | 8╳φ23 | 45 | 135 | 425 |
125 | 350 | 245 | 210 | 185 | 8╳φ23 | 54 | 154 | 482 |
150 | 400 | 280 | 240 | 210 | 8╳φ23 | 62 | 172 | 512 |
200 | 450 | 335 | 295 | 265 | 8╳φ23 | 75 | 195 | 605 |
250 | 530 | 390 | 350 | 320 | 8╳φ23 | 85 | 230 | 660 |
300 | 580 | 440 | 400 | 368 | 8╳φ23 | 100 | 263 | 760 |
X44W三通全铜旋塞阀主要材料
零件名称 | 阀体 | 塞子 | 填料压盖 | 填料 |
X44W-1.0T | 铸铜 | 铸铜 | 铸铜 | 油浸石棉盘根 |
旋塞阀是关闭件或柱塞形的旋转阀,通过旋转90度使阀塞上的通道口与阀体上的通道口相同或分开,实现开启或关闭的一种阀门。上海沪甄旋塞阀的阀塞的形状可成圆柱形或圆锥形。在圆柱形阀塞中,通道一般成矩形;而在锥形阀塞中,通道成梯形。这些形状使旋塞阀的结构变得轻巧,但同时也产生了一定的损失。旋塞阀最适于作为切断和接通介质以及分流适用,但是依据适用的性质和密封面的耐冲蚀性,有时也可用于节流。由于旋塞阀密封面之间运动带有擦拭作用,而在全开时可完全防止与流动介质的接触,故它通常也能用于带悬浮颗粒的介质。旋塞阀的另一个重要特性时它易于适应多通道结构,以致一个阀可以获得两个、三个,甚至四个不同的流道。这样可以简化管道系统的设计、减少阀门用量以及设备中需要的一些连接配件。
旋塞阀用途:
旋塞阀广泛地应用于油田开采、输送和精练设备中,同时也广泛用于石油化工、化工、煤气、天然气、液化石油气、暖通行业以及一般工业中。
旋塞阀主要优点:
适用于经常操作,启闭迅速、轻便。
流体阻力小。
结构简单,相对体积小,重量轻,便于维修。
密封性能好
不受安装方向的限制,介质的流向可任意。
无振动,噪声小。