产品名称:S-300W 标准品
概述:
单组输出:功率300W
输入电压:110/220VAC±20%由拨动开关选择
输入380VAC订货时说明
输出电压:3V-220VDC 之间均可生产,下表列出常规常用电压
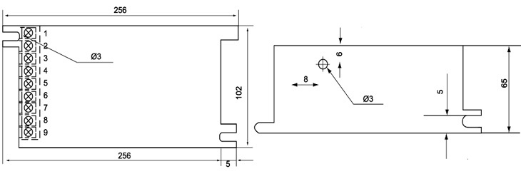
256×102×65mm
型号 性能 | S-300-5 | S-300 -12 | S-300 -24 | S-300 -48 |
直接输出电压、电流 | 5V 60A | 12V 25A | 24V 12.5A | 48V 6A |
纹波及噪音 | 50mVp-p | 50mVp-p | 60mVp-p | 70mVp-p |
进线稳定度 | ±0.5% | ±0.5% | ±0.5% | ±0.5% |
负载稳定度 | ±0.5% | ±0.5% | ±0.5% | ±0.5% |
效率 | 76% | 83% | 85% | 86% |
直流电压可调范围 | ±10% | ±10% | ±10% | ±10% |
输入电压范围 | 85~132VAC/170~264VAC 由开关选择 47~63Hz,240~370VDC |
冲击电流 | 冷启动电流 18A/115V 36A/230V |
过载保护 | 105%~135%切断输出, 自动恢复 |
过电压保护 | |
启动、上升、保持时间 | 200ms 50ms 20ms |
耐压性 | 输入输出间:1.5KvAC 输入与外壳间:1.5KvAC 输出与外壳间:0.5KvAC一分钟 |
隔离电阻 | 输入输出间 输入与外壳间 输出与外壳间:500VDC/100MΩ |
工作温度 | -10℃~+50℃ |
安全标准 | 符合 GB4943,UL60950,EN60950 |
EMC 标准 | 符合GB9254,EN55022 等级B |
重量 | 2.19 kg |
外形尺寸: 接 线 位 置 端口 1 : 交流输入 端口 2.3 : 接地 端口 4.5.6 : 直流输出-V 端口 7.8.9 : 直流输出+ V 
|
如有任何疑问,联系方式如下:
联系人:翟玉远 (女士)

电话:0577-62760721-8007 QQ:857696811
传真:0577-62760731
MSN: saipceo@
邮箱:saip307@
公司网站:
做到让客户满意是我们的宗旨。
感谢您采用本产品!赛普电气集团(乐清赛邦)欢迎您!