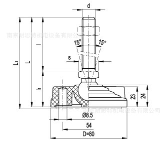
底座 














玻璃纤维加固聚酰胺基(PA)高科技聚合体。耐溶剂、机油、油脂以及其它化学溶剂。
颜色
黑色,亚光饰面。
球头关节螺杆
镀锌钢,带螺纹,为规则外六角。
防滑盘
NBR合成橡胶,硬度为70SA。
- LV.F:无防滑盘。
- LV.F-AS:带防滑盘,供货已装配。
地面安装
开两个呈180°的地面安装孔,并覆盖以可轻松通过金属工具拆除的脆性塑料隔膜。在无需地面安装时,此塑料盖可防止污垢及尘土的不良沉积。(参见下述装配说明)。
按需可有以下附件备选
可另行订购的镀锌钢螺母(参见螺母 NT.第756页)。
特征及应用
水平调整件下凸缘微微V型滚花,使得不带防滑盘的水平调整件,在使用时能够有非常出色的稳定性和抓地性,即使在不太平坦的表面上也是如此。
特殊构造的底座和防滑盘配置,确保了装配更加牢固,可避免该元件在受到强烈冲击,或者因底盘与地面粘连,发生分离现象。(参见防滑盘)第756页)。
订购信息
如需单独订购底座及螺杆,请参见可能匹配的底座/螺杆组合表(参见第757页)。
为便于搬运和存储,水平调整件在供货时为散件,且独立包装:占用体积更少,并能更好地保护其不被刮伤和脏污