供应意大利分度操作杆,转动手柄
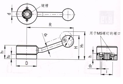
l 底座
钢质,黑色氧化涂层处理.用两颗带六角形螺口的M5圆柱头螺钉装在机器上.
-A型:边缘未开槽.-B型边缘开槽,带30齿.
l 杆臂
钢质,黑色氧化涂层处理,带黑色光亮饰面酚醛基(PF)热固性塑料球状手柄DIN319.耐溶剂、机油、油脂以及其它化学溶剂。
l 盖帽
聚甲醛基(POM)高科聚合体,黑色亚光饰面,压入式装配。阳极氧化铝质自粘板,本色,亚光饰面。
l 装配
钢质衬套,黑色氧化涂层处理,带标准H7铰孔及符合下述说明键槽
-尺寸K10:3型键槽公差P9×1.1mm
-K14:键槽符合DIN6885/2P9规定的公差。
特征与应用:
GN215型操作杆可转动主轴,并将其卡位在一特殊位置。欲转动主轴时,需克服弹簧阻力抬起杆臂,直至从槽口中拔出楔形销(单手操作)。如图所示。两个停止可卡口限制操纵角度。底座与主轴间为楔形销连接(标准型)。当该楔形销被用作无间隙锁定时,可使啮合及脱开的操作更为简便。
如果不需要无间隙锁定,则可采用圆柱销(由M6×14螺钉制成)。此时,将槽口加工成矩形或代之以圆柱形孔。在此情况下,孔径应足够大,从而使销在啮合时不会受到限制(旋转半径)。
操纵角度
标准槽口的最小操纵角度为:
-底座直径为D=54mm的型号:11°



