济南冰雪制冷设备有限公司长期供应精创电控箱,产品渠道来源正规,仓库有现货,所以质量可以保证,价格也可以最大限度的依据您的要求来协调,型号不同,价格不同,欢迎来电详询。电话:0531-85908801,传真:0531-85909987,手机:13305319049 地 址:山东省济南市天桥区济泺路160号东门4-2号
产品来源正规,全部为仓库现货,非调转货,所以价格可以最大限度的靠拢批发价。
精创电控箱,Elitech,ECB10-15HP产品介绍:
产品概述
ECB-10系列电控箱是我公司专为制冷机组优化设计的一款产品。产品功能实用,保护全面,操作方便,性能稳定可靠,是一款性价比极高的普及型电控箱
产品特点
1.用户参数设置与管理者菜单设置,普通用户只需设置温度参数
2.单点调温与回差温度控制,方便用户操作
3.温度设置上下限控制
4.制冷与制热模式选择
5.压缩机综合保护功能
6.传感器故障时压缩机按比例开停机
7.自动及手动控制功能
8.传感器故障及超温报警功能
9.压缩机延时可调
主要功能
单点调温与回差温度控制、温度设置上下限控制、制冷与制热模式选择、压缩机综合保护功能、传感器故障及超温报警功能等
技术参数
·电源:三相五线(或三相四线)380VAC±10% 50HZ
·技术参数:
·测控温范围:-40~+90℃
·测控温精度:±1℃
·压缩机延时保护时间:0-9分钟可调
·控制压缩机风机最大容量(KW):5.5 11 15
规格尺寸
整机尺寸:300*400*150(mm)
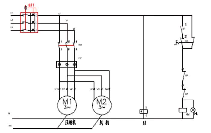
接线图

