




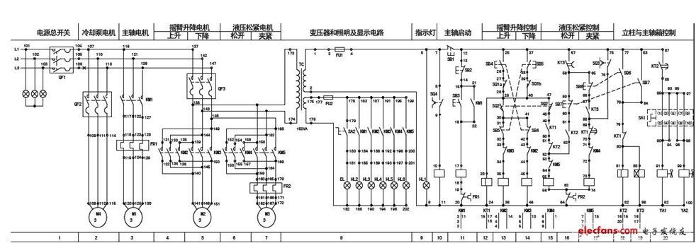
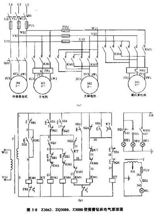
主要特点:Z3063系列摇臂钻床,是近年来参照国际标准设计制造成功的多功能新系列产品。机床采用液压预选变速;主轴箱、摇臂、立柱均由液压夹紧;主轴正反转、停车(制动)、空档用一个手柄操作。它具有性能完善、使用安全、可靠、方便、易于维修,精度高、刚性好、 寿命长等优点。用来钻孔、扩孔、锪平面、铰孔、攻螺纹、镗孔。广泛适用于机械加工各部门。
参数项目 | Z3063×20A |
钻孔最大直径mm | 63 |
主轴端面至工作台距离mm | 500-1600 |
主轴中心至立柱母线距离mm | 400-2000 |
主轴行程mm | 400 |
主轴锥孔(莫氏) | 5 |
主轴转速范围r.p.m | 20-1600 |
主轴转速级数 | 16 |
主轴进给量范围r.p.m | 0.04-3.2 |
主轴进给量级数 | 16 |
摇臂回转角度 ° | 360 |
主电机功率 kw | 5.5 |
升降电机功率 kw | 1.5 |
机床重量kg | 5000 |
外形尺寸mm | 3000×1100×2600 |