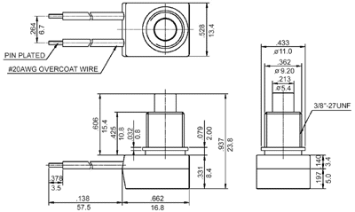
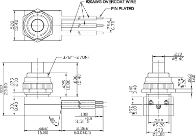
Rating: DC 12V 1mA. Contact resistance : 50m ohm max. Insulation resistance:100M ohm (min) DC500V Dielectric withstanding voltage : 1000AC for 1 minutes. Operstion force : 400 ~ 800 (Gram)
| Actuator : POM (UL rated 94V-2 min). Base : POM (UL rated 94V-2 min). Case : POM (UL rated 94V-2 min). Roller : POM (UL rated 94V-2 min). Terminal : copper. Terminal : Silver or tin plated copper alloy. Wire : 1332#20AWG teflon. Spring : Piano wire
|



东莞市联烨电子有限公司主要生产金属按钮开关、带灯防水金属开关、线上开关、微动开关、按键开关等开关元器件。特色产品有无进胶点303 、防水线上开关、大电流线上开关、通过IP68测试的防水金属开关。产品均通过UL、VDE、ENEC、CE、CQC认证。使用的材料均能过SGS测试。全体员工将真诚的欢迎你的到来和致电。TEL:86-769-8848-0802 FAX:86-769-8630-6544