





供货合同如下:
一、质量要求、技术标准:供方对质量负责的条件和期限,按需方技术要求,供方对产品质量的 保质期为一年。 二、交货地点:供方必须在规定时间内将货物送至需方仓库或指定地点。 三、运输方式及达站港和费用负担:运费由需方负责。 四、合理损耗及计算方法:不合格品及补换时间限定为三天,否则收取保管费10元/天,月底 付款前仍未处理的,其应付款延至下月结款期,直至处理完毕。 五、包装标准、包装物的供应与回收和费用负担,物品的包装除可靠保护内存物品外,必须整 洁完好,标识、清晰正确,费用由供方负责。 六、验收标准、方法及提出异议期限: 七、随机备品、配件工具数量及供应办法: 八、结算方式及期限:银汇 或支付宝交易! 九、交货期限:款到发货
公司简介 |
菲特气动元件有限公司是专业研发,制造气动元件的现代股份制企业。本公司注重科技致力于吸收消化国外先进技术,加以完善与提高,不断推出适合工业自动化要求的小型化、输出力大、性能可靠、控制方便的气动元件。产品质量及性能达到进口同类产品水准,在电力、化工、石油、冶金、食品、制药等行业的进口设备国产化工程中,深受用户好评。公司有先进的制造设备和完善的产品检测设施,技术力量雄厚,生产工艺先进、检测手段完善、产品质量稳定可靠,售后服务周到。产品行销全国各地。我公司在技术和工艺上不断地引进和应用国外先进技术,并配备进口全自动加工中心、数控车床、铣床 等设备。公司主要生产气缸、油缸、快插式接头、气源处理器、电磁阀、液压元件以及pu 管、尼龙管等气动元件。“品质卓越、服务一流”是我们对您的承诺,是企业发展永恒的主题,公司凭借雄厚的科技实力与丰富的专业经验,从产品设计到生产作业均精益求精,以良好的信誉和优质的服务深受海内外商家和用户的青睐。 菲特公司服务宗旨是信誉第一,确保消费者权益,所有产品出厂后跟踪服务。本公司依靠以“质量求生存”的理念,立足于激烈 竞争市场,并得以蓬勃发展,期望与社会各界朋友共同合作。 我们坚持以“努力创造工业自动化的未来!”为己任,愿与社会各界人士一起为中国工业自动化的发展贡献一己之力。 |
联系方式 |
联系地址:浙江乐清柳市苏吕工业区。联系电话;0577-61766866 传真:0577-61766868手机:13505876256. |
公司产品种类 |
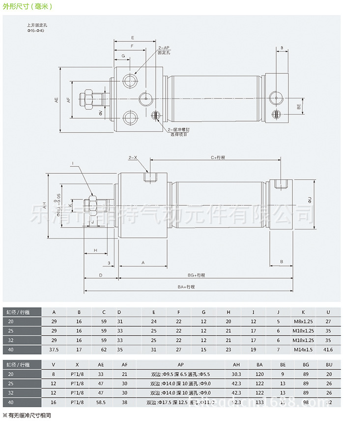
手指气缸系列(MHZ2,MHC2,MHCY2,MHL2,MHF2,MHW2,MHT2,MHS2,MHS3,MHS4) 旋转气缸系列(MSQ,CDRA1,MK) 无杆气缸系列(CY1B,CY1R,CY1S,CY1L及CY3B,CY3R) 导杆气缸系列(MGPM/L) 薄型气缸系列(SDA,CQ2B,CQSB,ADVU) 标准气缸系列(SC,SI,SU,MB,CS1,CG1,DNC,QGB) 迷你气缸系列(MAL,MA,CDM2B,CDJ2B,DSNU,MI) 自由按装气缸系列(CDU,MD,CDUK) 双轴气缸系列(TN,CXSM,CXSMW,STMB,DPZ) 以上是我司标准规格产品,另有不常规气缸及非标订做,欢迎来电。 |