山东玻璃钢耐腐离心泵 S型玻璃钢离心泵 厂家质保3年

| 产品概述 |
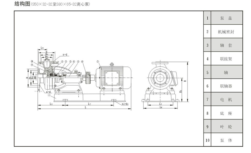
S型、FS型、SL型、SY型、WSY型、FSY型系列玻璃钢泵,其接触液体的过流部件均采用聚乙烯醇缩丁醛、改性酚醛玻璃纤维材料经高温模压而成,具有良好的耐腐蚀,耐温性能高、重量轻、比强度高、不变形等。轴封采用普通型和耐颗粒型机封二种(液下泵不用机械密封)结构合理,消耗功率少。 轴封:采用WB2型外装式F4波纹机械密封,密封可靠,密封可靠,使用时间长。 传动:泵通过爪型弹性联轴器,由电动机直接驱动。 
|
| 产品用途 |
本泵主要用于石化、冶炼、染料、印染、农药、制药、稀土、皮革等行业,输送不含固体颗粒、不易结晶、温度不高于100℃的各种非氧化性酸(盐酸、稀硫酸、甲酸、醋酸、丁酸)等腐蚀介质必不可少的理想设备。 
|
| 型号说明 |

|
| 结构说明 |

|
| 性能参数表 |
型 号 | 流 量Q | 扬 程 m | 转 速 r/min | 电机功率 KW | m3/h | L/s | S25×25-15 | 2.8 4 5.2 | 0.78 1.11 1.44 | 16 15 13.5 | 2900 | 0.75 | S40×32-20 | 4.4 6.3 8.3 | 1.22 1.75 2.31 | 21 20 18 | 2900 | 2.2 | S40×32-32 | 4.4 6.3 8.3 | 1.22 1.75 2.31 | 33 32 30 | 2900 | 3 | S50×40-16 | 4.36 7.2 9.72 | 1.20 2.00 2.50 | 16 13 10 | 2900 | 2.2 | S50×40-20 | 8.8 12.5 16.3 | 2.44 3.47 4.53 | 21.5 20 17.8 | 2900 | 3 | S50×32-35 | 8.8 12.5 16.3 | 2.44 3.47 4.53 | 35 32 30 | 2900 | 4/5.5 | S65×50-20 | 17.5 25 32.5 | 4.86 6.94 9.03 | 21.5 20 18 | 2900 | 3/4 | S65×50-25 | 25 35 45 | 7 9.7 12.5 | 26 25 22 | 2900 | 4/5.5 | S65×50-32 | 17.5 25 32.5 | 4.86 6.94 9.03 | 34.4 32 27.5 | 2900 | 5.5/7.5 | S80×65-35 | 30 45 55 | 8.3 12.5 15.1 | 35 32 28 | 2900 | 7.5/11 | S80×65-35A | 25 35 45 | 7 9.7 12.5 | 26 25 22 | 2900 | 5.5/7.5 | FS80×65-30 | 30 49 60 | 8.3 13.6 16.7 | 30 24 22 | 2900 | 7.5 | FS100×80-35 | 56 92.8 110 | 15.5 25.5 30.5 | 35 29 25 | 2900 | 15/22 | FS100×80-50 | 70 100 130 | 19.4 27.8 36.1 | 54 50 42 | 2900 | 22/30 |
| 安装说明 | 1、安装时管路重量不应加在水泵上,应有各自的支承体,以免使变形影响运行性能和寿命。 2、泵与电机是整体结构,安装时无需找正,所以安装时十分方便。 3、安装时必须拧紧地脚螺栓,以免起动时振动对泵性能的影响。 4、安装水泵前应仔细检查泵流道内有无影响水泵运行的硬质物(如石块、铁粒等),以免水泵运行时损坏叶轮和泵体。 5、为了维修方便和使用安全,在泵的进出口管路上各安装一只调节阀及在泵出口附近安装一只压力表,以保证在额定扬程和流量范围内运行,确保泵正常运行,增长水泵的使用寿命。 6、泵用于吸程场合,应装有底阀,并且进口管路不应有过多弯道,同时不得有漏水,漏气现象。 7、排出管路如逆止阀应装在闸阀的外面。 8、安装后拨动泵轴,叶轮应有摩擦声或卡死现象,否则应将泵拆开检查原因。 9、泵的安装方式分为硬性联接和柔性联接安装。 |
|