
特点与用途
该传感器采用平膜感压,外壳和膜片一体结构,体积小、性能稳定可靠。可适用于各种测力称重的工业自动化测控系统中。
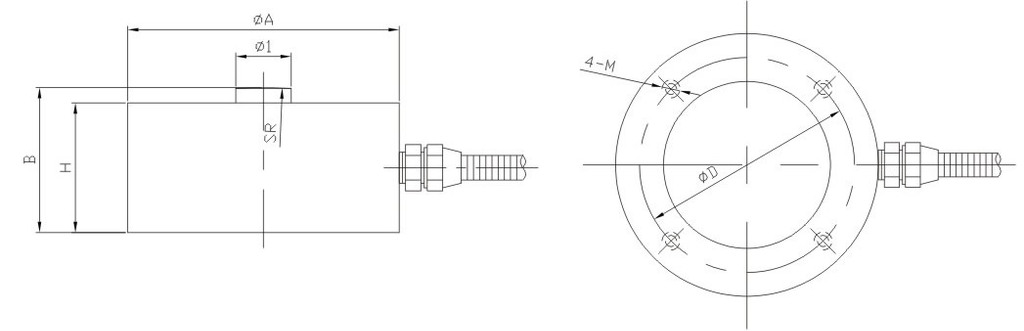
外形尺寸

| 量 程 | ФA | B | H | Ф1 | ФD | 4-M | SR |
| 50kg~5t | 51 | 25 | 20 | 10 | 42 | M5 | SR50 |
| 6~10t | 88 | 47 | 42 | 18 | 72 | M6 | SR150 |
技术指标
| 参 数 | 单 位 | 技术参数 | 参 数 | 单 位 | 技术参数 |
| 灵敏度 | mV/V | 1.0~1.5±0.05 | 灵敏度温度系数 | ≤%F·S/10℃ | ±0.1 |
| 非线性 | ≤%F·S | ±0.3 | 工作温度范围 | ℃ | -20℃~+80℃ |
| 滞 后 | ≤%F·S | ±0.3 | 输入电阻 | Ω | 350±50Ω |
| 重复性 | ≤%F·S | ±0.3 | 输出电阻 | Ω | 350±5Ω |
| 蠕 变 | ≤%F·S/30min | ±0.1 | 安全过载 | ≤%F·S | 150%F·S |
| 零点输出 | ≤%F·S | ±1 | 绝缘电阻 | MΩ | ≥2000MΩ(50VDC) |
| 零点温度系数 | ≤%F·S/10℃ | ±0.1 | 推荐激励电压 | V | 10V~15V |


