特点与用途
该产品采用板环式结构,圆弧截面的环连接,安装简便,具有有约密封性能。适用于各种电子汽车衡、轨道衡、平台秤及其它各种称重、测力的场合。
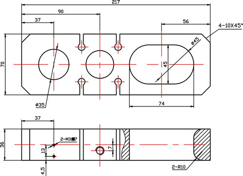
外形尺寸

技术指标
| 参 数 | 单 位 | 技术参数 | 参 数 | 单 位 | 技术参数 |
| 灵敏度 | mV/V | 1.5~2.0±0.05 | 灵敏度温度系数 | ≤%F·S/10℃ | ±0.05 |
| 非线性 | ≤%F·S | ±0.05 | 工作温度范围 | ℃ | -20℃~+80℃ |
| 滞 后 | ≤%F·S | ±0.05 | 输入电阻 | Ω | 350±20Ω |
| 重复性 | ≤%F·S | ±0.03 | 输出电阻 | Ω | 350±5Ω |
| 蠕 变 | ≤%F·S/30min | ±0.05 | 安全过载 | ≤%F·S | 150%F·S |
| 零点输出 | ≤%F·S | ±1 | 绝缘电阻 | MΩ | ≥5000MΩ(50VDC) |
| 零点温度系数 | ≤%F·S/10℃ | ±0.05 | 推荐激励电压 | V | 10V~15V |