更多
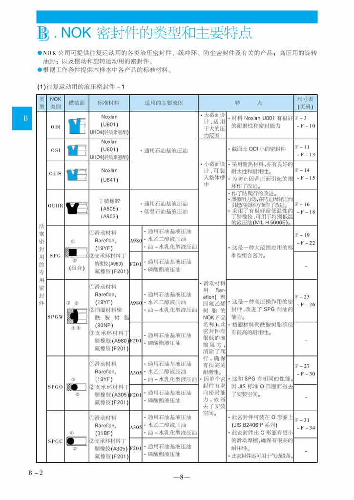
OUIS型活塞密封专用NOXLAN(AU)密封件 NOK密封
1台起批
¥
0.00
点此议价
厦门创跃成机械设备有限公司
厦门市湖里区兴湖路25号之六
全部商品
查看联系方式
产品属性
图文详情
品牌推荐
品牌/型号
NOK/OUIS
作用
孔用密封
是否进口
是
加工定制
是
材质
聚氨酯PU、丁腈橡胶(NBR)、氟橡胶(FPM FKM)、三元乙丙橡胶(EPDM 聚四氟乙烯(PTFE)
类型
活塞封
型号
OUIS
是否标准件
非标准件
品牌
NOK
样品或现货
现货
性质
耐腐蚀,耐高温,耐高压,耐磨损
使用压力
0-40(MPa)MPa
使用温度
-35+200(℃)℃
NOK密封件 往复运动用的缓冲环支承环HBTS型缓冲环
¥面议
parker派克O形圈密封件 parker派克JIS B2401系列密封件
¥面议
NOK活塞杆和活塞用密封件 UPI活塞和活塞杆密封
¥面议
NOK活塞和活塞杆密封件 USI活塞和活塞杆通用密封
¥面议
NOK活塞密封件 CPI活塞密封
¥面议
NOK防尘圈 DLI2型防尘密封件
¥面议
五金零部件、配件、备品备件
>
密封件
>
机械密封
>
获取验证码
允许同品行业优质供应商联系我
您对此产品的咨询信息已成功发送给相应的供应商,请注意接听供应商电话。
对不起,您对此产品的咨询信息发送失败,请稍后重新发起咨询。
关闭
登录
|
注册
首页
|
我的马可
触屏版
电脑端
马可波罗版权所有1999-2020