转速传感器采用LED光源CCD面积成像ZLS-Px系列包括Pa,Pb,Pc三种型号,是根据中国市场特别定制的一款测速测长传感器,同时可应用在转角测量,传感器有2个正交测量信号输出能同时测量两个方向的角度,特别适合测量粗糙表面。
通过传感器采集测量转轴曲面的转动周长,换算得出转动的角度,加上时间因素可计算转速。正反向旋转均可测到相同精度的结果。
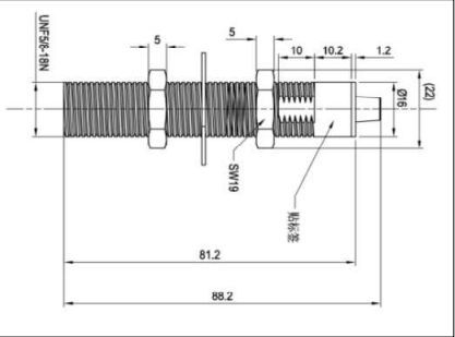
探头可实现X、Y轴双方向测量,可根据现场情况调整安装方向。
被测体表面要求一般自然表面,反射率在5%-90%都可以测,反射条件较差情况需要对传感器进行倾斜,让接收窗口达到较好的接收光线效果。
测量不受被测体颜色变化所影响,被测体表面有斑纹可提高测量效果。
软件显示:可根据具体情况订制
