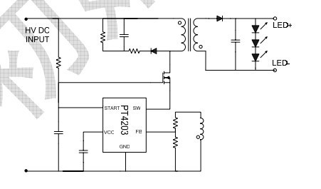
PT4203是针对小功率照明应用而优化设计的LED驱动器,基于反激式电路架构设计,可在通用AC输入电压范围内驱动多颗 LED负载。
PT4203采用变压器初级侧感应恒流控制技术,无需外围反馈环路,系统方案简洁可靠。优化设计的电流补偿功能保证在85VAC~265VAC输入电压范围负载电流保持恒定,电感补偿功能保证LED负载电流不随变压器绕组电感变化。集成的多种保护功能可处理各种系统故障,包括:逐周期过流保护,负载短路,负载开路,反馈通路开路及内部过温关断。
PT4203采用SOT23-5封装。
特点
变压器初级侧感应控制,无需反馈环路
补偿变压器电感容差
支持驱动高压DMOS与高压 Bipolar
负载开路保护
负载短路保护
反馈电阻开路保护
逐周期限流保护
过温保护
