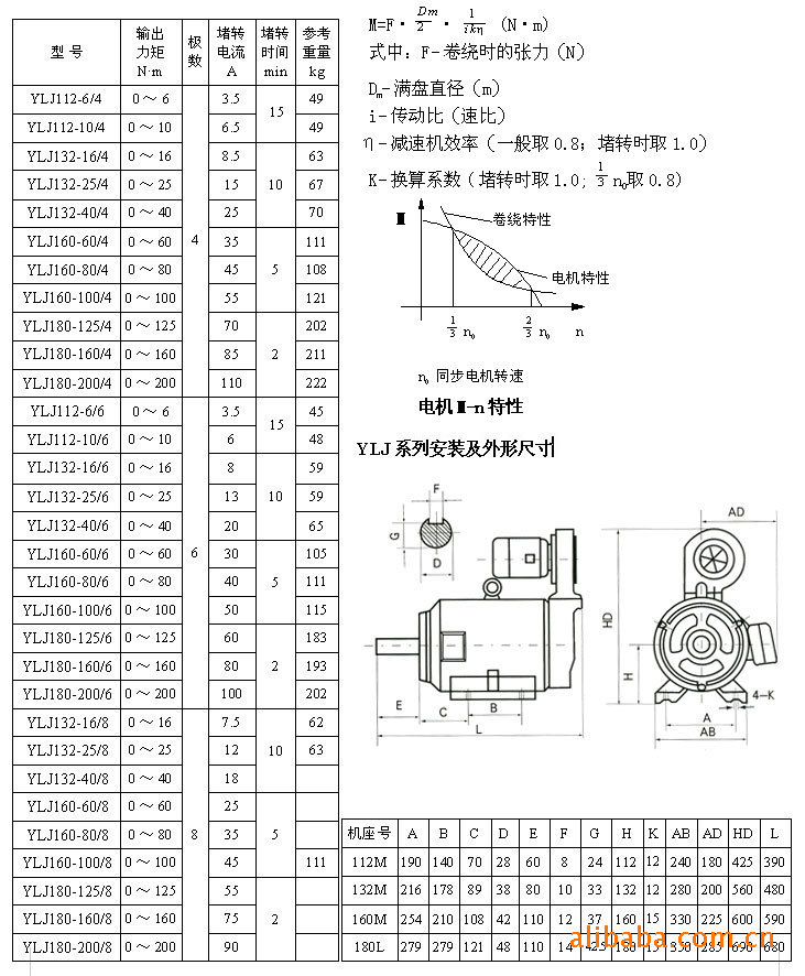
我公司生产的YLJ系列力矩三相异步电动机是一种卷绕用电动机。它广泛用于纺织、造纸、橡胶、塑料、金属线材和电线电缆等需要将产品卷绕在卷盘上的场合,它具有结构合理,特性好、寿命长、通用性好等特点。有需要的厂家请及时与我们取得联系。
】
YLJ系列力矩三相异步电动机具有机械特性软、线性好、调速范围宽等独特电气性能。当负载增时,其转速随之下降而转矩增加。较小的负载变化即可引起转速的相应变化。供电电压的微小变化可使转速转矩有相诮的改变。YLJ是一种理想的调压无级调速电机。 该电机结构合理、运行可靠、安装维护方便、控制线路简单、易于操作。适用于造纸、纺织、电线电缆、橡胶、塑料及金属线材加工中作卷绕、开卷、堵转和调速设备的动力。 使用条件:环境温度不高于40°C,海拔不超过1000米。电源为380V,50HZ三相交流供电。电机工作方式为S9从空载到堵转负载和转速连续变化的非周期工作制。外壳防护等级:YLJW为IP44,YLJ为IP21

