产品信息:(Product Information)
型号:(Model NO)12W路灯透镜
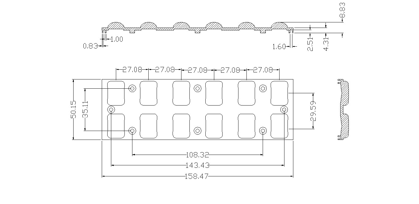
直径:(Dimension) 158.47mm
高度:(Height) 8.83mm
孔径:(Aperture)
角度:(LED lens angle) 90°*126°
材料:光学级PMMA(Lens material: optical grade PMMA)
透光率: 93% (Lens transmittance: 93%)
耐温:-35度 +90度(Temperature: -35°to +90°)
SGS/ROHS环保证 (Certificates: SGS ,ROHS)
匹配LED:欧司朗、CREE-XPE,luxeon-rebel等(Suitable forOSRAM、CREE-XPE)
产品应用(Product Application)
适用路灯、庭院灯、遂道灯等LED应用场合;
Application Scope:
LED Streetl Lamp, Garden light, Tunnel lamp,etc.
