此系列的特性:高效,轴向尺寸紧凑和多功能的特质使得风机适用于工业和水上行业。这个风机尤其适合鼓风或排出最高达80℃包含微小颗粒的烟尘。
特性:
-法兰支撑:薄钢铁
-轴:钢
-叶轮:轻质无火花材料
-电机:直流12V/24V 230V 单相,230/400V 三相
-防护:IP55
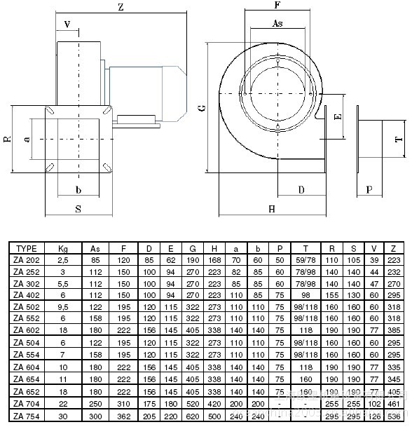
参数:
功率:0.25 kW
噪音指数:50 dB(在工厂实验室采集)
转速:2800 rpm
最大风量:800 m³/hr @ 55 mmH2O
备注:以上价格10台以上为230V/380V的批量海运价;20台以上为12/24V的批量海运价。
