更多
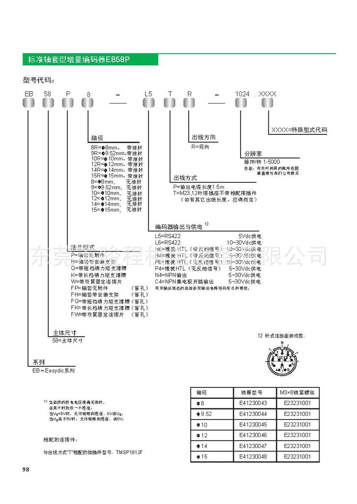
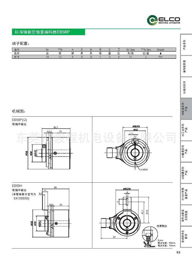
宜科ELCO增量编码器EB58P轴套型
1台起批
0.00
点此议价
东莞市骏程机电设备有限公司
东莞市莞城莞太大道5号讯通大厦220
产品属性
图文详情
品牌推荐
品牌/型号
ELCO/宜科/EB58P轴套型系列
类型
增量型编码器
外型尺寸
58(mm)
型号
EB58P轴套型系列
读出方式
接触式
工作原理
增量式
品牌
ELCO/宜科
网络、安防、通信、广电设备 > 安防监控系统 > 视频监控系统 > 编码器、解码器 >
马可波罗版权所有1999-2020