
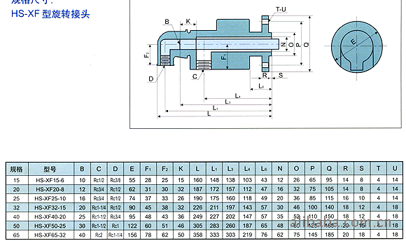
结构特点
空心轴通过螺纹或法兰直接与辊筒相连,为主要的旋转部件,密封结构综合了Q型(内装式密封)和D型旋转接头(滚动轴承支承)结构的特点,并采用了平衡式密封设计,使工作压力对密封环两端产生的压力几乎相等,从而有效地降低了密封载荷对密封端面的磨损,延长了使用寿命,滚动轴承对空心轴的支承使旋转扭矩大为降低,运转灵活,加上体积小、重量轻、因此可适用于较高转速条件下。另外,壳体上设有观察孔,通过它可观察密封的泄露情况和磨损情况。
使用参数
最高转速:1000RPM
最高温度:100℃
最高压力:1.0MPa
适用介质:水、盐水、空气等
注意:随转速、温度、压力的不同,使用极限值也不相同。
特殊情况欢迎来电垂询





金旋公司是一家从事金属软管、旋转接头等流体管路及旋转密封产品配套的专业化公司,在上海、山东滕州设有二个生产基地,并在上海公司设立了研发中心。是本行业中规模实力最强的生产制造商之一。
滕州金旋公司成立于1995年,多年来一直坚持最佳品质,不断创新发展,引导旋转密封走向新技术的产业化、专业化。
公司拥有高级工程师2名,工程师9名,始终坚持科技创新,实施品牌战略,通过技术改造和技术进步,使工艺更加合理,不断加大产品技术开发力度,设计出不同类型的旋转接头,并获取多项国家专利。公司加工设备其全,拥有德国德马吉DMG数控中心数台,保证了每一件产品的高质量出厂。
在不断提高技术力量和加工检测能力的同时,公司不断强化内部管理水平,已采用目前国内先进的ERP(企业资源计划)管理系统,通过ISO9001:2000国际质量体系认证,大大提高了公司的管理水平。
一个服务新时代的到来,我们将优质服务、永续经营深深融入金旋公司的理念和灵魂之中,历经锤炼的“金旋”已成为一个“黄金品牌”。
金旋牌旋转接头各种型号分类:
Q型系列六花形单向旋转接头 Q型系列单向旋转接头
圆形单向旋转接头 Q型系列圆形双向旋转接头
高温单向旋转接头 高温双向旋转接头
双球双向内管固定式旋转接头 双球双向内管旋转式旋转接头
双球单向旋转接头 蒸汽专用旋转接头
H型双向内管固定式旋转接头 H型双向内管旋转式旋转接头
H型单向旋转接头 HM型钢铁连铸机专用旋转接头
D型双向内管固定式旋转接头 D型双向内管旋转接头式旋转接头
D型单向旋转接头 RL/RF型旋转接头
安装:
1、旋转接头在搬运和存放过程中应避免撞击和摔落,以免损坏接口及内部零件。
2、尽可能装机同心,以确保旋转接头的良好运转。
3、螺纹连接的旋转接头在安装时,应注意内、外管的螺纹向是否滚筒的旋转方向对应,且内外管的螺纹旋向也应一致。
4、旋转接头与管道之间的连接,必须使用软管相连接(我们公司推荐使用扰性好的金属软管),绝对禁止刚性连接。
5、旋转接头的出入口尽可能直接与软管相连接。以减轻接头辅重,延长使用寿命。
6、内管的装配,注意尺寸的配合及重量的辅助支撑。内旋式旋转接头的内管与接头的配合推荐使用H8/e7的公差配合。
7、旋转接头的支撑与止转应恰当,一般杆直径应比止转孔小2mm,以免影响旋转接头的自由调节与补偿。
服务支持:
售前:
售前如果您在配套我们公司产品时遇到疑难问题,我公司工程技术人员将亲临现场为你解决技术问题,提供最佳的配套方案。
售中:
如果你有意使用我公司产品,我们将根据实际情况和您的要求,代办铁路,公路运输,中铁快运等服务。
售后:
如果我们公司的产品在保修期内出现任何产品自身质量问题,我们保证省内24小时,省外72小时内为你提供上门服务,您只需打一个电话,剩下的工作由我们来做。
技术质检:
目前我公司技术开发人员全部采用CAD设计,公司拥有弹簧试验机,远红外测试仪,压力试验机等测试设备,旋转接头在出厂之前必须进行压力测试,确认无泄漏现象后方可出厂。金属软管采用疲劳测试,压力测试等试验,确保产品的质量。
质量承诺:
金旋公司生产的所有产品自发货之日起,在360天内若出现产品自身质量问题,我公司将负责免费维修或调换。
联系方式:
滕州 金旋公司
销售部:0632-5585138 5553666 传真:0632-5586527 售后服务部:0632-5699055
地址:滕州市平行南路88号 Http//www.xzjt.com
Email:tzjinxuan@163.com
上海 金旋公司
销售热线:021-39597818 39598828 FAX:021-39597838
地址:上海市曹安公路4188号 Http//www.shjinxuan.com