厂家直销 高品质 电缆滑车首车CH-3型 优质低价 优惠价格
厂家直销 高品质 电缆滑车首车CH-3型 优质低价 生产厂家
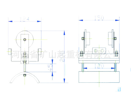
厂家直销 高品质 电缆滑车首车CH-3型 优质低价 图片说明
电缆滑车详细描述 :
CH型电缆滑车系列为起重机小车供电的一种导电形式,它由走轮、支架、托板组成,将软电缆固定在托板上,由牵引架与电缆滑车同步,从而实现小车供电目的。CH系列电缆传导滑车不论结构,性能,维修,安装等方面均具有国内独创的优点和特点。要提高起重机小车馈电性能,CH系列电缆传导滑车是你最好的选择。
CH系列电缆滑车分为中载荷型、重载荷型、和轻载荷型。
因此工字钢跑车走轮为Ф80、Ф60的两种,承载电缆能力CH-1型≤50公斤,CH-2型≤70公斤。 CH-3型≤120公斤,CH-4型≤200公斤,按托板层数分为单层、双层。
CH系列电缆传导滑车,由首端装置,中间滑车及终端装置三个部分组成。
首端装置固定于小车导缆装置上,每台起重一个,随小车一起往返运行,并把传导电缆引入小车接线箱内;中间滑车悬挂传导电缆在导轨上,靠曳引绳曳引,带动传导电缆,两端装有橡皮撞块作缓冲碰撞作用,随起重机跨度不同而定只数;终端装置固定于导轨终端,使小车传导电缆经比与走台接线箱连接,每台起重机一个。
安装注意事项:
1、固定挂线架安装好后,后边应挂一挡板。
2、调整牵引头,使小车在整个行程中不碰牵引孔的上下边缘为好。
3、电缆长度为起重机跨度的1.2倍加8米。
4、调整牵引钢丝绳,使其长度小于同节电缆长度,运行时由牵引钢丝绳受力。
5、当电缆直径不等时,电缆夹间应垫以软橡皮, 使其外径基本相同,以便将电缆夹紧。
6、布电缆时,应考虑两面电缆托板受力均衡。
7、当电缆滑车为二层时,要求相同。
8、滑车装置上的双垫圈为调整垫圈,当导轨不合适时,把垫圈放在固定板的内侧,以调整轨距的宽窄,出厂时按导轨为 100*68 120*70 140*80 160*88制造。非标滑车按图纸加工制
电缆滑车适应范围:
CH-I型电缆传导滑车主要用于5-10吨电动双梁桥式起重机小车的馈电。
CH-II型电缆传导滑车主要用于15吨以上双钩及抓斗和门式起重机小车的馈电。
导轨规格 :110 GB706-------65 异钢型
规格 30,40,50,63 ,70
环境温度范围: -30-+70摄氏度产品
电缆滑车技术参数:
CH-I型 :
允许净负荷 70公斤
允许安装电缆最大直径 φ16
滑车寿命 5万小时
CH-II型:
小车运行速度 ≤ 63米/分钟
允许净负荷 125公斤
允许安装电缆最大直径 φ22
滑车寿命 3万小时
电缆滑车重量
CH-I型 首段装置1.6公斤 中间装置2.5公斤 末端装置1.5公斤
CH-II型 首段装置4.3公斤 中间装置5.7公斤 末端装置3.5公斤
电缆滑车材料
钢 橡胶
电缆滑车首车 CH-3型


电缆滑车(牵引首车)CH-1

电缆滑车(首车)CH-2



电缆滑车(中间滑车)CH-1



电缆滑车尾车CH-1


防爆电缆滑车

电缆滑车安装示意图:




