
厂家直销JQX-15F(T90)大功率继电器 常开型继电器
产品详情:
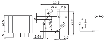
尺寸mΩmΩ : 32.5×27.5×20.5
触点分布形式:1Z、1H
触点容量:30A 28VAC/20A 220VAC
触点电阻:≤50mΩ
绝缘电阻:≥500MΩ
抗电强度:BOC 1000VAC/BCC 1500VAC
尺寸图:

|
| 触点形式 | 1H | 1D | 1Z(常开) | 1Z(常闭) | | 接触电阻 | 50mΩ(1A 24VDC) | | 触点材料 | AgSnO2 AgCdO | | 最大切换功率 | 7200VA/560W | 3600VA/280W | 4800VA/560W | 2400VA/280W | | 最大切换电压 | 277VAC/28VDC | | 最大切换电流 | 30A | 15A | 20A | 10A | JQX-105F-1 额定负载 | 30A 240VAC 20A 28VDC | 15A 240VAC 10A 28VDC | 20A 240VAC 20A 28VDC | 10A 240VAC 10A 28VDC | JQX-105F-1L 额定负载 | 25A 240VAC 20A 28VDC | 15A 240VAC 10A 28VDC | 20A 240VAC 20A 28VDC | 10A 240VAC 10A 28VDC | | 机械寿命 | 2×107次 | | 电气寿命 | 1×105次 |
|
| 介质耐压 | | 触点与线圈间 | 1500VAC 1 min. | | 断开触点间 | 1500VAC 1 min. |
|
|
| 温度范围 | | B级 | 直流:-55℃~+85℃;交流:-55℃~+60℃ | | F级 | 直流:-55℃~+105℃;交流:-55℃~+85℃ |
|
|
| 线圈功耗 | 直流:0.9W 交流:2VA | | 线圈电压 | 5~110VDC 12~277VAC | | 线圈电阻 | 见下表 |
|
|
| 额定电压VDC | 动作电压VDC | 释放电压VDC | 最大电压VAC(20℃) | 线圈电阻Ω | | 5 | 3.75 | 0.5 | 6.50 | 27±10% | | 6 | 4.50 | 0.6 | 7.80 | 40±10% | | 9 | 6.75 | 0.9 | 11.70 | 97±10% | | 12 | 9.00 | 1.2 | 15.60 | 155±10% | | 15 | 11.25 | 1.5 | 19.50 | 256±10% | | 18 | 13.5 | 1.8 | 23.40 | 380±10% | | 24 | 18.00 | 2.1 | 31.20 | 660±10% | | 48 | 36.00 | 4.8 | 62.40 | 2560±10% | | 70 | 52.50 | 7.0 | 91.00 | 5500±10% | | 110 | 82.50 | 11 | 143.00 | 13450±10% |
| 额定电压VAC | 动作电压VAC | 释放电压VAC | 最大电压VAC(20℃) | 线圈电阻Ω | | 12 | 9.6 | 2.4 | 15.6 | 25±10% | | 24 | 19.2 | 4.8 | 31.2 | 100±10% | | 120 | 96.0 | 24.0 | 156.0 | 2500±10% | | 208 | 166.4 | 41 | 270.4 | 11000±10% | | 220/240 | 192 | 48 | 286.0 | 13490±10% | | 277 | 220 | 54 | 360.1 | 15000±10% |
|
|
| 产品标记 |
| 标记示例 | JQX-15F / 12DC-1ZS | | 继电器型号 | JQX-15F | | 线圈电源 | DC: 直流 AC: 交流 | | 线圈电压 | 直流:5~110VDC 交流:6~240VAC | | 触点形式 | 1Z: 一组转换 1H : 一组常开 1D: 一组常闭 | | 安装形式 | 1.敞开式、 2.防尘罩 无: .塑封式 | | 触点材料 | T: AgSnO 无: AgCdO | | | |
|