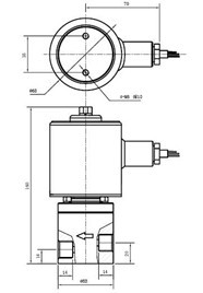
高压电磁阀
高压电磁阀主要技术参数:
产品规格:DN1~DN200
阀体材质:不锈钢
适用介质:气、水、油、蒸汽、燃气、腐蚀性流体
介质温度:0~+100℃
介质粘度:小于50CSt (大于50时需定制)
适用压力:6.4MPa~100MPa
防护性能:防水、防爆(Exd IICT5)、防腐
阀芯材质: 均为不锈钢
接线方式:接线座式、引线式、插头式
控制方式:常开、常闭
电源电压:DC24~127V;AC36~380V
连接方式:内螺纹、法兰、(外螺纹和特殊接口可定做或加转接头)
泄 漏 量:零
备注:特殊型可定制
高压电磁阀工作原理:
常闭:当线圈通电时,先导阀芯吸合,先导孔打开,阀上腔卸压,活塞靠下腔介质压力推动,电磁阀打开。
当线圈断电时,先导阀芯靠弹簧复位,先导孔关闭,阀上腔由活塞节流孔增压和复位弹簧的推力,电磁阀关闭。
常开:当线圈通电时,先导阀芯靠弹簧复位,先导孔关闭,阀上腔由活塞节流孔增压和复位弹簧的推力,电磁阀关闭。
当线圈断电时,先导阀芯靠弹簧复位,先导孔打开,阀上腔卸压,活塞靠下腔介质压力推动,电磁阀打开。
高压电磁阀批注:出口端压力大于进口端压力,介质会反向导通。可安装止回阀。




销售热线:023-65206351,13320257625.
传真:023-65229966.
QQ:529708737.