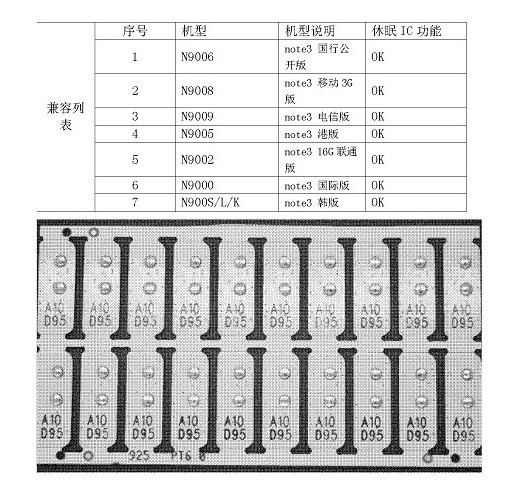
note3休眠芯片三星note3电池盖芯片 note3休眠解锁IC1.屏幕自动唤醒,智能休眠,节能环保,打开皮套即可唤醒手机,轻轻闭合皮套,手机则进入休眠状态,且天窗会显示时间,几秒钟将完全进入休眠时间。2.智能信息通知,天窗显示:时间、短信、来电显示一目了然。3.便捷接听或拒绝来电,不用翻盖即可直接接听电话或拒绝来电。功能和三星原厂配件一样。
您对此产品的咨询信息已成功发送给相应的供应商,请注意接听供应商电话。
对不起,您对此产品的咨询信息发送失败,请稍后重新发起咨询。