FABIA气动不锈钢螺纹球阀产品介绍:
三片式气动球阀是球阀配上气动执行器。气动执行器的执行速度相对较快,并且不需要工人亲力亲为,在很大程度上节约了人力资源以及时间。
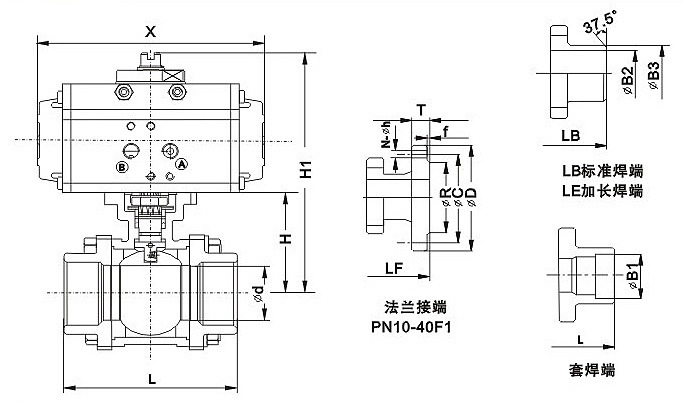
气动三片式球阀是由截止阀演变而来。它具有相同的旋转90度提动作,不同的是旋塞体是球体,有圆形通孔或通道通过其轴线。球面和通道口的比例应该是这样的,即当球旋转90度时,在进、出口处应全部呈现球面,从而截断流动。
三片式气动球阀只需要用气旋转90度的操作和很小的转动力矩就能关闭严密。完全平等的阀体内腔为介质提供了阻力很小、直通的流道。通常认为球阀最适宜直接做开闭使用,但近来的发展已将球阀设计成使它具有节流和控制流量之用。球阀的主要特点是本身结构紧凑,易于操作和维修,适用于水、溶剂、酸和天然气等一般工作介质,而且还适用于工作条件恶劣的介质,如氧气、过氧化氢、甲烷和乙烯等。球阀阀体可以是整体的,也可以是组合式的。
FABIA气动不锈钢螺纹球阀产品特点:
1 流体阻力小,其阻力系数与同长度的管段相等。
2 结构简单、体积小、重量轻。
3 紧密可靠,目前球阀的密封面材料广泛使用塑料、密封性好,在真空系统中也已广泛使用。
4 操作方便,开闭迅速,从全开到全关只要旋转90°,便于远距离的控制。
5 维修方便,气动球阀结构简单,密封圈一般都是活动的,拆卸更换都比较方便。
6 在全开或全闭时,球体和阀座的密封面与介质隔离,介质通过时,不会引起阀门密封面的侵蚀。
7 适用范围广,通径从小到几毫米,大到几米,从高真空至高压力都可应用。
联系地址:江苏省无锡市锡沪东路8号
联系电话:0510-82408328
传真号码:0510-82408409
联系人:曾先生
移动电话:181 1539 1310/181 1539 1234
腾讯QQ:1762479695
阿里旺旺:wxzffy
无锡泽方阀业是集研发、生产、销售及服务为一体的自控阀门制造厂商,主要产品有:气动球阀、气动蝶阀、电动蝶阀、电动球阀、电磁阀,球阀,截止阀,止回阀,附件有电-气定位器、电磁换向阀、限位开关等。公司作为连接欧亚阀门的桥梁,先后与意大利AIR TORQUE,台湾SUN YEH,意大利FABIA,台湾ALISUN等知名流体厂商合作,,在国内拥有完善的销售及服务体系。 泽方阀业通过不懈的努力,已建立起成熟的营销网络,积累了雄厚的技术实力产品广泛用于石油化工、印染、食品、电力、制药、冶金、给排水系统、市政工程等行业,远销中东、欧美、及东南亚地区,以优越的质量赢得各界好评和信赖。
您对此产品的咨询信息已成功发送给相应的供应商,请注意接听供应商电话。
对不起,您对此产品的咨询信息发送失败,请稍后重新发起咨询。