更多
信号灯 警示灯 多层信号灯 多层指示灯 多层警示灯
1台起批
¥
285.00
点此议价
深圳市罗湖区金慧五金电器经营部
深圳市罗湖区洪湖一街
全部商品
查看联系方式
产品属性
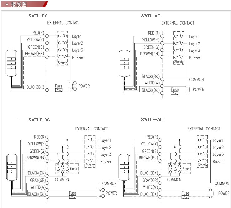
图文详情
品牌推荐
品牌/型号
韩国可莱特/SWTL镜面壁挂式LED多层警示灯 信号灯
别名
镜面壁挂式LED多层警示灯 信号灯
品牌
韩国可莱特
适用机械
自动化设备、机械行业、工控设备、数控机床、造船行业、电厂行业
型号
SWTL镜面壁挂式LED多层警示灯 信号灯
规格
半径;90*90
'
'
自动化设备、机械行业、工控设备,造船行业、电力行业
¥277.00元
小型警示灯:S50L
¥30.00元
产品名: S80LK
¥95.00元
多层警示灯/塔灯:ST45ML
¥110.00元
安装支架
¥1.00元
声光组合报警器、指示灯、警示灯
¥585.00元
行业专用设备
>
电子产品制造设备
>
电子产品制造设备配件
>
获取验证码
允许同品行业优质供应商联系我
您对此产品的咨询信息已成功发送给相应的供应商,请注意接听供应商电话。
对不起,您对此产品的咨询信息发送失败,请稍后重新发起咨询。
关闭
登录
|
注册
首页
|
我的马可
触屏版
电脑端
马可波罗版权所有1999-2020