更多
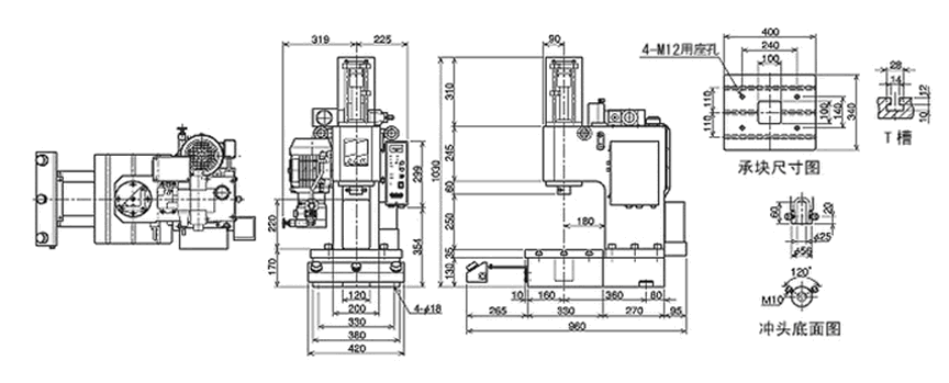
HYP-S系列 油压冲床
1台起批
0.00
点此议价
产品属性
图文详情
品牌推荐
品牌/型号
固安力/HYP-S
类型
普通冲床
品牌
固安力
动力类型
气动
型号
HYP-S
主电机功率
550(kw)kn
公称压力
50(kn)KN
喉口深度
0(mm)mm
滑块行程
30(mm)mm
控制形式
人工
模柄孔尺寸
25*50L(φmm*mm)
布局形式
立式
适用范围
通用
适用行业
通用
行程次数
230/275
作用对象材质
金属
产品类型
全新
是否库存
通用机械设备 > 锻压机床 > 冲床 >
马可波罗版权所有1999-2020