DCB-B600齿轮油泵就是CB-B600齿轮泵
本齿轮油泵是低噪音大流量油泵外形美观、维修方便。采用斜齿轮后能,其流量大,脉冲小,噪音低,运转平稳,广泛用于胶合板机械,大流量输油,以及需要压力低于2.5MPa的液压系统,既能作为液压系统的动力源,也可作为润滑泵、输油泵使用。经防蚀处理后,可大流量输水,做水泵使用。


CB-B大流量泵也叫DCB-B齿轮泵齿轮油泵
DCB-B160
200250/650元
DCB-B300 350
400/1000元
DCB-B500/1520元
DCB-B600/4000元
DCB-B600-1000/电议13092295818叶先生
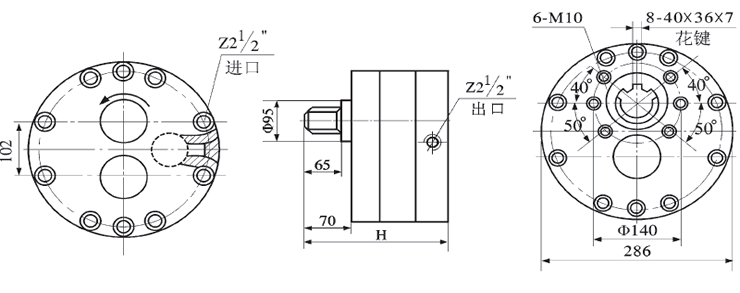
DCB-B500~1000低噪音圆形大流量齿轮油泵外形图:
泰兴德力DCB-B500~1000低噪音圆形大流量齿轮油泵技术参数:
| 型号 | 额定流量 L/min | 额定压力 MPa | 额定转速 r/min | 容积效率 ηv% | 总效率 ηt% | 进油口 | 出油口 | 驱动功率 kw |
| DCB-B600 | 600 | 2.5 | 1450 | ≥90 | ≥80 | Z21/2" | Z21/2" | 29 |
| DCB-B700 | 700 | 32 |
| DCB-B800 | 800 | 37 |
| DCB-B900 | 900 | 42 |
| DCB-B1000 | 1000 | 49 |
泰兴德力DCB-B500~1000低噪音圆形大流量齿轮油泵技术规格:
| 型号 | DCB-B600 | DCB-B700 | DCB-B800 | DCB-B900 | DCB-B1000 |
| H | 355 | 375 | 395 | 415 | 435 |
DCB-B500~1000低噪音圆形大流量齿轮油泵备注:
1、DCB-600~1000进出油口有两种形式,一种在侧面,一种在底面,订货时请说明。
2、此图驱动功率是根据2.5MPa计算,客户可根据自己使用的压力自定驱动功率。
3、功率=流量×压力/(612×0.8)


CB-B160-500齿轮泵
一、功能简介
本系列齿轮泵采用了斜齿轮后,其噪音低,流量大,脉冲小,动转平稳。广泛用于人造、胶合板机械、林业机械、像塑机械等低于2.5MPa的液压系统中,也可用于油站、油田的大流量输油。经防蚀处理后,可大流量输送水,作水泵用。
二、外形及安装尺寸


三、型号说明
四、技术参数
型号 | 额定流量 L/min | 额定压力 MPa | 额定转速 r/min | 容积效率 ηv% | 总效率 ηt% | 进油口 | 出油口 | 驱动功率 kw |
DCB-B160 | 160 | 2.5 | 1450 | ≥90 | ≥80 | Z2" | Z11/2" | 8.2 |
DCB-B200 | 200 | 10.1 |
DCB-B250 | 250 | 13 |
DCB-B300 | 300 | 15 |
DCB-B350 | 350 | 17 |
DCB-B400 | 400 | 20 |
DCB-B500 | 500 | Z2" | Z2" | 24 |
五、技术规格
型号 | DCB-B160 | DCB-B200 | DCB-B250 | DCB-B300 | DCB-B350 | DCB-B400 | DCB-B500 |
H | 186 | 210 | 228 | 245 | 263 | 280 | 316 |
郑重声明:
1.本铺所有商品皆为合格产品,质量保证,售后由厂家直接服务,敬请放心所用;
2.本铺所有商品皆为厂家直销,无中间环节,价格便宜;
3.诚招各地销售商以及配套厂家,量大优惠,电议。
4.本铺所有产品均不含税,不包邮。自收到款后三日内尽快发货。
手机:13092295818
叶先生
电话:0523-87864872
网址:
/businwindow.html
齿轮油泵运行维护
1、起动:
(1)启动前检查全部管路法兰,接头的密封性。
(2)盘动联轴器,无摩擦及碰撞声音。 (3)首次启动应向泵内注入输送液体。 (4)启动前应全开吸入和排出管路中的阀门,严禁闭阀启动。
(5)验证电机转动方向后,启动电机。
2、停车:
(1)关闭电动机。 (2)关闭泵的进、出口阀门。
齿轮油泵常见故障及维修方法
(1)故障现象:泵不能排料
故障原因:a、旋转方向相反;b、吸入或排出阀关闭;
c、入口无料或压力过低; d、粘度过高,泵无法咬料
对策: a、确认旋转方向; b、确认阀门是否关闭; c、检查阀门和压力表;
d、检查液体粘度,以低速运转时按转速比例的流量是否出现,若有流量,则流入不足、
(2)故障现象:泵流量不足
故障原因:a、吸入或排出阀关闭; b、入口压力低; c、出口管线堵塞;
d、填料箱泄漏;e、转速过低
对策:a、确认阀门是否关闭;b、检查阀门是否打开;c、确认排出量是否正常;
d、紧固;大量泄露漏影响生产时,应停止运转,拆卸检查; e、检查泵轴实际转速;
(3)故障现象:声音异常
故障原因:a、联轴节偏心大或润滑不良 b、电动机故障; c、减速机异常; d、轴封处安装不良; e、轴变形或磨损
对策:a、找正或充填润滑脂;
b、检查电动机; c、检查轴承和齿轮; d、检查轴封; e、停车解体检查
(4)故障现象:电流过大
故障原因:a、出口压力过高;
b、熔体粘度过大;c、轴封装配不良; d、轴或轴承磨损; e、电动机故障
对策:a、检查下游设备及管线;b、检验粘度; c、检查轴封,适当调整;
d、停车后检查,用手盘车是否过重; e、检查电动机
(5)故障现象:泵突然停止
故障原因:a、停电; b、电机过载保护;
c、联轴器损坏;d、出口压力过高,联锁反应;e、泵内咬入异常;
f、轴与轴承粘着卡死
对策:a、检查电源;b、检查电动机;c、打开安全罩,盘车检查;d、检查仪表联锁系统;e、停车后,正反转盘车确认;
f、盘车确认
CB-B齿轮泵批发


齿轮泵是依靠泵缸与啮合齿轮间所形成的工作容积变化和移动来输送液体或使之增压的回转泵。由两个齿轮、泵体与前后盖组成两个封闭空间,当齿轮转动时,齿轮脱开侧的空间的体积从小变大,形成真空,将液体吸入,齿轮啮合侧的空间的体积从大变小,而将液体挤入管路中去。吸入腔与排出腔是靠两个齿轮的啮合线来隔开的。齿轮泵的排出口的压力完全取决于泵出处阻力的大小。


结构特点
齿轮采用具有国际九十年代先进水平的新技术--双圆弧正弦曲线齿型圆弧。它与渐开线齿轮相比,最突出的优点是齿轮啮合过程中齿廓面没有相对滑动,所以齿面无磨损、运转平衡、无困液现象,噪声低、寿命长、效率高。该泵摆脱传统设计的束缚,使得齿轮泵在设计、生产和使用上进入了一个新的领域。
泵设有差压式安全阀作为超载保护,安全阀全回流压力为泵额定排出压力1.5倍。也可在允许排出压力范围内根据实际需要另行调整。但是此安全阀不能作减压阀长期工作,需要时可在管路上另行安装。
该泵轴端密封设计为两种形式,一种是机械密封,另一种是填料密封,可根据具体使用情况和用户要求确定。


性能提高提高齿轮油泵性能的可行回路
齿轮油泵因受定排量的结构限制,通常认为齿轮泵仅能作恒流量液压源使用。
在泵上直接安装控制阀,可省去泵与方向阀之间管路,从而控制了成本。较少管件及连接件可减少泄漏,从而提高工作可靠性。而且泵本身安装阀可降低回路的循环压力,提高其工作性能。下面是一些可提高齿轮泵基本功能的回路,其中有些是实践证明可行的基本回路,而有些则属创新研究。
卸载回路
卸载元件将在大流量泵与小功率单泵结合起来。液体从两个齿轮油泵因受定排量的结构限制,通常认为齿轮泵仅能作恒流量液压源使用.齿轮油泵因受定排量的结构限制,通常认为齿轮油泵仅能作恒流量液压源使用。然而,附件及螺纹联接组合阀方案对于提高其功能、降低系统成本及提高系统可靠性是有效的,因而,齿轮油泵的性能可接近价昂、复杂的柱塞泵。的性能可接近价昂、复杂的柱塞泵。的出口排出,直至达到预定压力和(或)流量。这时,大流量泵便把流量从其出口循环到入口,从而减少了该泵对系统的输出流量,即将泵的功率减少至略高于高压部分工作的所需值。流量降低的百分比取决于此时未卸载排量占总排量的比率。组合或螺纹联接卸载阀减少乃至消除了管路、孔道和辅件及其它可能的泄漏。
最简单的卸载元件由人工操纵。弹簧使卸载阀接通或关闭,当给阀一操纵信号时,阀的通断状态好被切换。杠杆或其它机械机构是操纵这种阀的最简单方法。
导控(气动或液压)卸载阀是操纵方式的一种改进,因为此类阀可进行远程控制。其最大的进展是采用电气或电子开关控制的电磁阀,它不仅可用远程控制,而且可用微机自动控制,通常认为这种简单的卸载技术是应用的最佳情况。


人工操纵卸载元件常用于为快速动作而需大流量及快速动作而需大流量及为精确控制而减少流量的回路,例如快速伸缩的起重臂回路。图1所示回路的卸载阀无操纵信号作用时,回路一直输出大流量。对于常开阀,在常态下回路将输出小流量。
压力传感卸载阀是最普遍的方案。如图2所示,弹簧作用使卸载阀处于其大流量位置。回路压力达到溢流阀预调值时,溢流阀开启,卸载阀在液压和作用下切换至其小流量位置。压力传感卸载回路多用于行程中需快速、行程结束时需高压低速的液压缸供液。压力传感卸载阀基基本上是一个达到系统压力即卸的自动卸载元件,普遍用于测程仪分裂器和液压虎钳中。
流量传感卸载回路中的卸载阀也是由弹簧将其压向大流量位置。该阀中的固定节流孔尺寸按设备的发动机最佳速度所需流量确定。若发动机速度超出此最佳范围,则节流小孔压降将增加,从而将卸载阀移位至小流量位置。因此大流量泵相邻的元件做成可对最大流量节流的尺寸,故此回路能耗少、工作平稳且成本低。这种回路的典型应用是,限定回路流量达最佳范围以提高整个系统的性能,或限定机器高速行驶期间的回路压力。常用于垃圾运载卡车等。
压力流量传感卸载回路的卸载阀也是由弹簧压向大流量位置,无论达到预定压力还是流量,都会卸载。设备在空转或正常工作速度下均可完成高压工作。此特性减少了不必要的流量,故降低了所需的功率。因为此种回路具有较宽的负载和速度变化范围,故常用于挖掘设备。
具有功率综合的压力传感卸载回路,它由两组略加变化的压力传感卸载泵组成,两组泵由同一原动机驱动,每台泵接受另一卸载泵的导控卸载信号。此种传感方式称之为交互传感,它可使一组泵在高压下工作而另一组泵在大流量下工作。两只溢流阀可按每个回路特殊的压力调整,以使一台或两台泵卸载。此方案减少了功率需求,故可采用小容量价廉原动机。


泰兴市德力液压元件厂是专业生产液压齿轮油泵的厂家,本厂产品齐全,质量保证,厂家直销,售后保障。诚招销售商代理和配套厂家惠顾。主营产品有CB-B型齿轮油泵,DCB-B型低噪音大流量泵,CBW-B型锯床润滑泵,BB-B型摆线泵,R12-1型车床润滑泵,HY01型机床润滑泵,SNBY/SXF型双向润滑泵,CBA-B型不锈钢齿轮泵,CBFA/FC高压泵,CBN-E/F高压齿轮泵,MCY型柱塞泵,YB1型叶片泵,KCB(2CY)输油泵,CBG3型齿轮油泵,CB-0.8/2.2型减速机油泵装置,水齿轮泵,铜齿轮泵,齿轮油泵电机组,内齿型弹性联轴器,GZQ给油指示器,YZQ油流指示器,连接座,角尺板,手动液压搬运车,电瓶搬运车,手动液压堆高车,油桶搬运车,油桶装卸车,全电动装卸车,SJY型,移动式剪叉升降机,YZ型系列液压站等。
手机:13092295818 18013458650 叶先生
电话:0523-87864872 传真:0523-87864872
网址:/businwindow.html