24小时销售热线:18658763531
邮箱:1453356092.com
QQ:1453356092
一、DDC-JQ真空阀概述:
DDC-JQ真空阀是安装在机械真空泵上的安全阀,安装于机械真空泵的进气口,并与泵同步开启和关闭。当泵停止工作或电源突然中断时,阀门自动关闭,使真空系统保持真空并将大气充入泵腔内,从而避免泵油逆向流动而污染真空系统。DDC-JQ真空阀适用介质为纯净空气或非腐蚀性气体。 注:快卸及活套法兰连接方式请参阅DDC-JQ-B系列电磁真空带充气阀(内有DN100规格)。
二、DDC-JQ真空阀主要零件材料:
阀 体:碳钢. 阀板:铝合金 密封圈:丁腈橡胶三、DDC-JQ真空阀主要技术性能表:
适用范围:
105~10-2Pa
阀门漏率:
≤6.7x10-3 Pa.L/S
适用温度:
-30~+50℃
线圈温升:
≤65℃
开闭时间:
≤3s
电源电压:
220v±10%/50Hz
功 率:
15w-40w
工作频次:
≤3次/分钟
峰值电流:
0.2A(DN25-DN40), 2A(DN50-DN80)
维持功耗:
12w,40w(DN25-DN40), ≤12w(DN50-DN80)
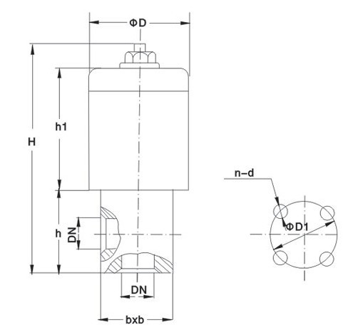
型号
通径(DN)
外形尺寸
性能参数
匹配机械 泵型号
ΦD
H
bxb
ΦD1
n-d
h
h1
漏气率(Pa.L/S)
连接标准
DDC-JQ16A
16
68
170
48x48
42
4-M5
56
99
6.7x10-4
JB919法兰标准
2XZ-0.5/1
DDC-JQ25A
25
82
199
58x58
55
4-M6
70
113
2XZ-2/4
DDC-JQ32
32
92
222
68x68
64
80
129
2XZ-4
DDC-JQ40
40
110
240
80x80
88
135
2XZ-8
DDC-JQ50A
50
125
290
95x95
90
4-M8
112
2X-15
DDC-JQ65
65
134
340
112x112
105
130
174
2X-30A
DDC-JQ80
165
367
140x140
150
202
2X-70A
DDC-JQ100
100
-
399
145
8-Φ9
DDC-JQ150
684
Φ220
195
8-Φ12
DDC-JQ真空阀的选型须知: (一)①真空阀型号②真空阀公称通径③真空阀公称压力④真空阀工作介质⑤真空阀工作压差⑥真空阀介质温度⑦真空阀电源电压及频率⑧真空阀介质粘度。 (二)真空阀正常工作时的电压为220V (+22/-15)V 如超过此范围,请订货时注明电压波动量。其它规格电源电压可做特殊订货。 (三)阀门的开通时间达12小时以上,请选用常开式真空阀。当使用环境周围有易燃易爆品,请选用防爆型真空阀。 (四)当使用的场合非常重要或环境比较复杂时,请您尽量提供设计图纸和详细参数,由我们的技术专家为您审核把关。(五)特殊订货:①如您选购氟橡胶膜片(Viton)则在订单中注明V,其介质量高温度可达到130℃;如您选购三元乙丙胶膜片(EPDM)则注明E,其介质最高温度可达到110℃。②需要法兰连接可在订货时说明。上海企燊阀门有限公司产品有:旋片式真空泵系列、水环式真空泵系列、往复式真空泵系列、罗茨真空泵系列、滑阀式真空泵系列、水喷射真空泵系列、扩散泵系列、真空机组系列等泵类产品及真空泵配件,我公司拥有丰富的生产历史,技术精良,产品质量稳定可靠,公司恪守“以诚信,市场,互利”的宗旨,重合同,守信用。为您提供优质的产品、良好的服务,做您忠实可靠的合作伙伴, 竭诚欢迎各界新老朋友前来光临洽谈合作! 我公司免费咨询电话:18658763531感谢您访问我公司的网站,如有任何疑问.您可以致电给我们,我们一定会尽心尽力为您提供优质的服务。真空泵配件:
DDC-JQ真空阀DYC-Q真空阀真空泵油
您对此产品的咨询信息已成功发送给相应的供应商,请注意接听供应商电话。
对不起,您对此产品的咨询信息发送失败,请稍后重新发起咨询。