更多
厂家供应电磁炉调节火力电位器
2000台起批
3.00
点此议价
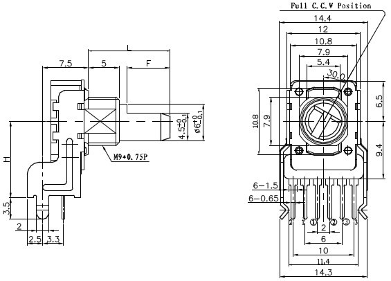
产品属性
图文详情
品牌推荐
品牌/型号
LJV/RP1100GOXX-VX.
加工定制
品牌
LJV
型号
RP1100GOXX-VX.
种类
单联
用途
专用
材料
碳膜
性能
预调
阻值调节方式
旋转式
阻值变化方式
X式(直线式)
标称阻值
50K ΩΩ
额定功率
0.05(W)W
阻值允许偏差
±0.02(%)
滑动噪声
1(V)
分辨率
100(%)
零位电阻
1(Ω)
接触电阻
1(Ω)
绝缘电阻
100(MΩ)
符合度
100%
电子元器件 > 电阻器与电位器 > 电位器/变阻器 >
马可波罗版权所有1999-2020