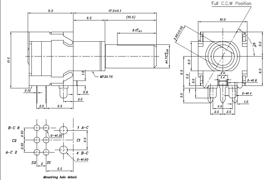
10型金属轴卧式型编码器:此款产品300º旋转手感均匀、定位明显、具有7级防水功能,专为对讲机、通讯等量身定做的编码器,欢迎您前来选购!
回转力矩:20-50mN.m(200-500gf.cm)
轴推拉强度:80N(8Kgf)Max
最高使用电流:2.5mA
耐电压:1Minute at AC 300V
使用温度范围:-30ºC to +80ºC
您对此产品的咨询信息已成功发送给相应的供应商,请注意接听供应商电话。
对不起,您对此产品的咨询信息发送失败,请稍后重新发起咨询。