更多
多功能开关制造者 高万科技专业生产
5000台起批
0.01
点此议价
产品属性
图文详情
品牌推荐
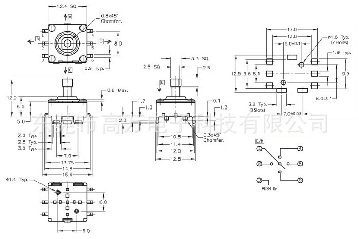
品牌/型号
GOVON/K5208
品牌
GOVON
加工定制
最高电压
12(V)
型号
K5208
用途
鼠标,手机,照相机,录像机,立体声手机,汽车音响设备,个人数字产品等领域
额定发热电流
0.1(A)
产品认证
ROHS
电工电料、线缆照明 > 电工电料 > 电工开关 >
马可波罗版权所有1999-2020