'
◆本系列扭矩信号耦合器是在标准测扭应变传感器的基础上研制开发的专门传递扭矩参数的信号耦合器。
◆本系列扭矩信号耦合器具备:
◆扭矩测量功能;能源及信号非接触传递功能,3输出信号数字化功能。
◆可以传递静止扭矩信号、旋转扭矩信号、动态扭矩信号、静态扭矩信号。
◆传递信号时与是否旋转,转速和转向无关。可以适应长时间,高转速运转。
◆精度高,稳定性好。
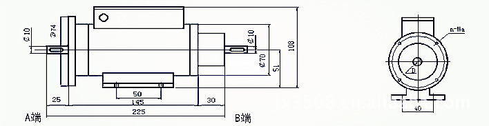
◆体积小,重量轻,易于安装。
◆不需反复调零即可连续传递正反转扭矩信号。
◆没有集流环等磨损件,可以高转速长时间运行。
◆抗干扰性强;可任意位置,任意方向安装。
◆可以避免了轴承的磨擦力矩的干扰。
◆可以使用JX系列扭矩仪直接显示扭矩值。
◆直接将扭矩频率信号送给计算机或PLC进行处理。
◆可将信号转换为4—20mA或1—5V模拟信号。



'