'

上海办顺机电科技有限公司是日本KSS滚珠丝杠。授权在华东地区的一级代理商.公司位于中国经济中心上海。设有近2千平方米的仓储、物流中心。KSS品牌在中国、销售、售后服务为一体的全面整合型服务机构。
专业生产不锈钢滚珠丝杆和导轨等。。授权的华东地区的一级代理商。以上产品均可代替日本产品,公司以“诚信、创新、服务、为客户创造价值”为经营理念,能为客户提供最优质的服务是我们的追求。台湾、德国全系列产品广泛应用于CNC机床、航天、精密仪器 、工业机器人、包装机械、医疗、食品机械、电子设备、运输系统、半导体和 LCD 制造设备、医疗和..
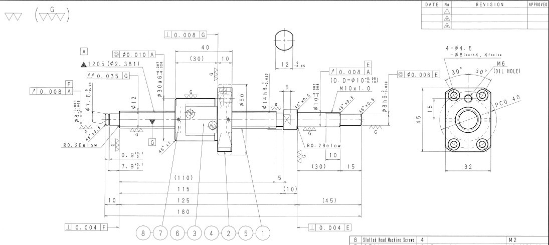
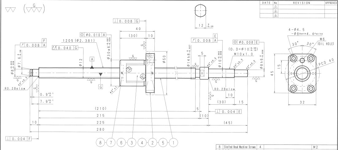
型号:FBS1005X125L-C5





●公司KSS标志的表示:
制造部门:专业技术( Know How) 卓越品质( Super Quality)安全运作( Safety Motion)
营业部门:热情( Kindness)速度( Speed)服务( Service)
KSS这三个字母凸出三角形之外,寓意打破陈规、锐意创新。企业标准色为绿色,体现了年轻、活泼、朝气蓬勃的企业的风貌。
●KSS滚珠丝杠材质和表面硬度精密滚珠丝杠和冷轧滚珠丝杠的丝杠轴和螺母均采用SCM415(渗碳淬火),滚珠丝杠部分的表面硬度为HRC58~62。
●润 滑为防止生锈,未对轴端进行加工的滚珠丝杠产品均涂抹有防锈油。由于防锈油不具备润滑性,因此在使用前请另行涂抹润滑剂。如无特殊指定,建议使用KSS原装润滑油脂(MSGNo.2)。
●轴端追加加工凭借KSS独有的追加加工技术,可进行无精度劣化的轴端加工。如需轴端追加加工,请与公司联系。
追加加工时的注意事项如下所示:
1)建议由本公司进行轴端追加加工。如果由其他公司进行轴端追加加工,本公司将不能保证追加加工后的精度,敬请谅解。 2)对于产品目录中所示标准形状以外的追加加工,请附上追加加工指示图(示意图)进行指示。 3)由于不进行螺母的追加加工,因此请对照尺寸表设计法兰形状等。 4) 润滑使用滚珠丝杠时,请务必涂抹润滑剂。KSS标准库存品以长期存放为前提,因此在涂抹防锈油后进行了真空包装。如果在委托追加加工时指定了润滑剂,交货时将在滚珠丝杠上涂抹该指定润滑剂。此外,防锈油并非润滑剂,使用前请用精制煤油等清洗滚珠丝杠,去除防锈油后涂抹润滑剂(油脂或润滑油)。请每隔2~3个月检查一次油脂。使用过程中油脂变脏时,请擦去旧的油脂后涂抹新油脂。 5)螺母的自重下落以间隙规格使用滚珠丝杠时,螺母会因自重而下落,敬请注意。 6)由客户进行的追加加工对于客户自行进行的追加加工,本公司将不予保证精度。不得已而由客户自行进行追加加工时,除上述注意事项外,还应注意以下各点: · 防止粉尘进入螺母内部追加加工时,请注意防止粉尘进入螺母内部。不拆下螺母而直接对丝杠轴进行追加加工时,请用塑料袋等包住螺母、或用胶带密封螺母两端,切实保护螺母。
· 拆下螺母时,请使用假轴。假轴根据客户要求提供。通过假轴拆卸或重新组装螺母时,请在确认钢珠与螺纹槽啮合的同时,沉着缓慢地进行操作。
· 追加加工后的清洗:追加加工后,请用清洁的精制煤油将附着在滚珠丝杠上的脏物清洗干净。
· 涂抹润滑剂:使用追加加工后的产品之前,请先涂抹润滑剂。
· 存放:追加加工后需长期存放时,请切实进行防锈处理。
●质量和环保活动

●研磨加工和冷轧加工
本公司的滚珠丝杠生产工序因客户的精度要求而异。大体可分为采用研磨加工制成的高精度精密滚珠丝杠和采用滚丝模形成螺纹槽的冷轧滚珠丝杠。C5以上精度等级的滚珠丝杠一般采用研磨加工(精密滚珠丝杠),C7、C10级的滚珠丝杠则采用冷轧加工。对于无滚丝模(冷轧加工模具)的型号,也可采用研磨加工生产C7、C10级产品。
王利勇 wangliyong 精密滚珠丝杆KSS
上海办顺机电科技有限公司
ShangHai Banshun Automation Equipments Co.,Ltd
地址:上海市松江区光星路831号。 201600
Shanghai Songjiang District Star Light Road 831。201600
电话/Tel:(8621) 3139 6963 13472595883
传真/FAX:(8621) 3700 8567
手机:13472595883
'