本系列送料器特别用于薄且宽材料的送料器,具备以下特点:
1、坚固和紧凑的结构可直接安装于模具之上
2、2个拉料气缸可确保高速状态下良好的送进条料性能
3、个前和3个后缓冲气缸
4、由电磁阀控制
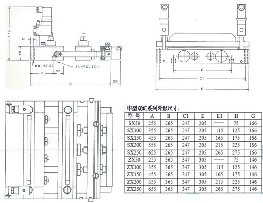
送料器的规格参数表:
型号 | 最大送料宽度mm | 行程mm | 送料厚度mm | 速度次/分 | 固定夹头压力kg | 移动夹头压力kg | 牵引力kg | 空气消耗量升/分 | 重量kg |
SX50 | 204 | 50 | 1.5 | 250 | 70 | 158 | 82 | 127 | 12.7 |
SX100 | 204 | 100 | 1.3 | 180 | 70 | 158 | 82 | 180 | 14.9 |
SX150 | 204 | 150 | 1.1 | 150 | 70 | 158 | 82 | 215 | 16.8 |
SX200 | 204 | 200 | 1 | 140 | 70 | 158 | 82 | 250 | 18.9 |
SX250 | 204 | 250 | 1 | 100 | 70 | 158 | 82 | 255 | 20.9 |
ZX50 | 304 | 50 | 1.1 | 230 | 70 | 158 | 82 | 117 | 18.2 |
ZX100 | 304 | 100 | 0.9 | 160 | 70 | 158 | 82 | 165 | 21.2 |
ZX150 | 304 | 150 | 0.7 | 130 | 70 | 158 | 82 | 198 | 24.1 |
ZX200 | 304 | 200 | 0.5 | 110 | 70 | 158 | 82 | 214 | 27 |
ZX250 | 304 | 250 | 0.5 | 90 | 70 | 158 | 82 | 229 | 29.8 |
送料器外形尺寸示意图:





本司优势:
1、十几年的生产经验,市场成熟
2、意大利专业技术制造加工,品质位于同行业首位
3、专业生产冲床周边设备配套商
4、百分百的服务,客户的反馈好
5、性价比高,一年免费保修
6、有大量的库存,发货速度快。
特别提示:现公司扩大生产规模,诚邀机械行业设备商,量大可按照出厂价,支持零售,广东省内支持款到发货,省外款到发货或通过支付宝,下单热线:020-34792134,工程销售电话:020-61931501,欢迎来电!