欢迎新老客户来电洽谈
特别说明:【图片产品属性均以电话或旺旺咨询为准,品质保证,价格更实惠,详情请来电或旺旺咨询
———————★★★★★ 公司介绍★★★★★———————
福建泉州鑫华机电有限公司是一家从事台湾传动器材生产、销售的专业服务机构,拥有多年的传动设计、组装、维修经验,技术力量雄厚,公司在不断的发展、扩大经营的同时,更把售后服务放在首要位置,以“品质保证,诚信服务”为宗旨,以合理的价格、热情的服务、专业的知识来博得广大客户的信赖!欢迎来电来函垂询、订购!
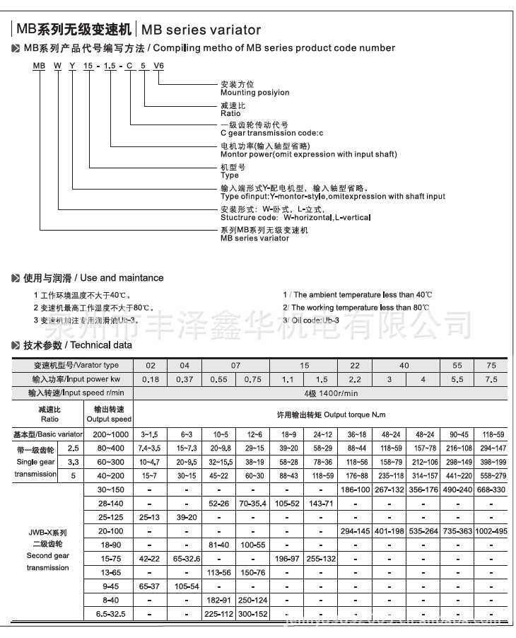
———————★★★★★产品展示★★★★★———————



