'



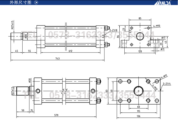
可选行程:410,510等
行程超过1.5米的送料油缸,中间需加支撑座。
数控带锯床由于锯料精度要求,对送料油缸的质量要求高,包括油缸的内泄露、同心度等。
送料油缸安装时,需要校准油缸活塞杆和滑轨之间的水平:
C型脚座安装相比前法兰安装,安装后更稳固,但是需做更为仔细的校准。



汉力达,带锯床配件齐全,现货供应,欢迎选购!


售 后 服 务
1、我们通过快递或物流运出货物,在快递单或货物外包装上会标识货物数量,内附《发货清单》;
2、您收到货物后,务必检查货物数量与快递单或货物外包装上标识的数量是否一致,与《发货清单》是否一致;
3、货物规格型号与订单不一致,或者数量不一致,请立即联系销售部。 拨打0578-3558044,或传真到0578-3152335,我们会与您确认问题所在,并做出处理,如安排补货,换货,或者退货退款。
4、产品正常使用情况下,保修期是1年。
在1年内,您在产品使用中发现有质量问题,请先联系销售部说明情况,销售部会视情况是否转到售后部门处理。
1)如果是产品本身质量问题,销售部会视情况是否转到售后部门处理,售后服务人员判断情况后,采取更换零部件或返修或更换货物或退货的处理。
2)如果是操作使用问题,销售部会安排相关的技术人员给客户回电话,指导操作使用。
5、产品需要换货或维修的,快递费超出20元的,请一律安排托运给我们,同时附上《退货清单》及贵公司联系信息。退货清单上写明货物名称、货物数量、退回原因。
快递收货地址:浙江丽水缙云壶镇西山路258号 销售部 0578-3555444 3152944
托运收货地址:浙江金华永康 浙江汉达机械有限公司 销售部 0578-3555444 3152944 货物运到永康后,我们会上门提取。
'