'
MOB拉杆型液压油缸,两端盖何缸筒采用四根拉杆连接,结构简单。制造和安装均较方便。
工作媒介为标准的液压油。可采用多种安装方式(前法兰、后耳环、后法兰、中间摆轴、等)
适用压力范围0.3mpa-7mpa,适用温度范围为-10度-70度。
对于液压油缸的选用,我们一般在选用液压油缸的过程当中都会依照内径、行程、使用压力、安装型式去选择液压油缸,其实除了这些外还有以下几点是值得我们去注意的,首先液压缸负载后作动速度达到某一标准以上时,必须需用有缓冲装置的液压缸。或者达到更高速度时必须在液压缸外,加装减速阀。其次是慎选液压油与油封。不同的液压油滴用不同材质的油封,以保证液压缸的寿命。
因为液压油缸要承受很大的压强,负载越重,它的压强就会越大,因此,做好液压油缸的保养工作是整个液压系统的维护最重要的一环。
液压油缸就相当于液压系统的心脏,心脏出问题很难修补,所以液压油缸的维护就是要谨慎细致。
首先,要防锈。因为液压油缸的活塞部分在工作状态中是要伸出油缸的,自然就会受到氧化物的、酸性气体的侵蚀,这就需要我们给它涂敷适量的油脂进行保护,以免作为承重部件的活塞受侵蚀而在工作中可能发生断折。
其次,要开箱换油。因为长时间使用,难免会有异物进入液压油缸中,这样在使用中就会发生摩擦增大现象,另外,液压油也是有一定的使用寿命,长时间不换油会损坏或者侵蚀液压油缸内部。
治不如防,因此在液压油缸的工作中要控制速度适当,不要超过2m/s,这样可以延长液压油缸的使用寿命,另外为了保护机构和安全起见,内部安装缓冲装置对于液压油缸的保护是十分有效的。
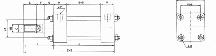
MO系列、B型标准油缸
| 缸径 | Φ A | Φ B | C | □D | □DE | E | F | G | H | N | I | J | K | S | Z | PT |
| Φ32 | 35 | 16 | M14X1.5 | 52 | 36 | 28 | 10 | 15 | 25 | 25 | 53 | 100 | M8 | 50 | 153 | ZG1/4 |
| Φ40 | 40 | 20 | M16X1.5 | 64 | 45 | 28 | 17 | 20 | 30 | 30 | 65 | 110 | M8 | 50 | 175 | ZG3/8 |
| Φ50 | 45 | 20 | M16X1.5 | 70 | 50 | 28 | 17 | 20 | 30 | 30 | 65 | 110 | M10 | 50 | 175 | ZG3/8 |
| Φ63 | 55 | 25 | M22X1.5 | 85 | 60 | 40 | 20 | 30 | 31 | 31 | 90 | 112 | M10 | 50 | 202 | ZG3/8 |
| Φ80 | 62 | 32 | M26X1.5 | 106 | 74 | 40 | 20 | 32 | 37 | 37 | 92 | 129 | M12 | 55 | 221 | ZG1/2 |
| Φ100 | 78 | 40 | M30X1.5 | 122 | 90 | 45 | 20 | 32 | 37 | 37 | 97 | 154 | M14 | 80 | 251 | ZG1/2 |
| Φ125 | 85 | 50 | M40X2 | 147 | 110 | 55 | 25 | 35 | 44 | 44 | 115 | 168 | M16 | 80 | 283 | ZG1/2 |
| Φ160 | 100 | 60 | M52X2 | 188 | 145 | 65 | 30 | 35 | 55 | 55 | 130 | 190 | M20 | 80 | 320 | ZG3/4 |

'