防尘圈 派克防尘圈 AD型防尘圈 AD 0040 052 00591A
| 公司简介 |
宁波江东日辰流体密封科技有限公司位于美丽的”海上丝绸之路”的起点之一 ----宁波,是一家生产橡胶密封件及销售一条龙的专业厂家。 我司生产及销售:O型圈、包覆O型圈、星型圈、聚四氟乙烯挡圈、高弹力挡圈、骨架油封、气动液压密封(APA、PDU、AVB、PPY、PGY、DAS、UN、USH、DKB等),橡胶平垫片及橡胶杂杂件订做。生产所用的橡胶原材料全部为优质胶料,有NBR、HNBR、VITON、SI、EPDM、PU、PTFE等。为迎合市场需要,我司提供高质量的液压及气动密封件产品,同时代理销售国外进口密封件:美国(Parker)、日本NOK/三菱(Mitsubishi)/阪上(Sakagami)、英国(Hallite)、土耳其(Kastas)、德国(Trelleborg)/CFW、台湾DZ/Pet/CNL/TTO /YEI/SOG等国内外知名品牌。 公司业务涉及气动、液压、工程机械、纺织印刷机械、冶金机械、家用电器、卫浴泵阀等行业。产品广泛应用于生活和工业各个行业。 公司一直秉承”以人为本,质量第一”的经营理念,使产品质量持续提高,为客户创造最大的价值。”客户的满意就是我们的进步”----真诚希望与您合作,欢迎来电来函。 |
| 产品图片 |


|
| 产品介绍及用途 |
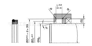
AD型防尘圈的作用是防止粉尘、污物、沙粒或细屑的进入运动的货塞杆。它可以防止刮伤、保护导向零件、延长密封件寿命。 AD型防尘圈是由PTFE防尘环和O型圈组成并具有预紧力。 AD型防尘圈主要优点是: (1).小沟槽尺寸; (2).极小的起动和运动摩擦力,甚至在低速下也可保证平稳运动,无爬行现象; (3).极好地滑动特点; (4).耐磨损,使用寿命长; (5).可提供最大至直径2500mm的产品。 工作温度:-35℃~100℃ 表面速度:≤4m/S 
|
| 联系方式 |
联系地址:宁波市江东区中兴路39弄29号804 联系人:蔡先生 联系电话:18969873691 座机电话:0574-87391845 传真号码:0574-87391895 腾讯QQ:1061127335 阿里旺旺: |