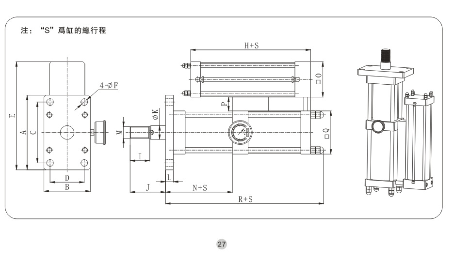
'





并列倒装型气液增压缸,又名紧凑型增压缸,其产品特点在于:
a:并列式结构,为安装空间受纵向长度限制的场合设计
b:出力速度平稳,工作状态稳定
c:适用于预压行程长的场合
d:对产品成型,铆接锻压,装配等工作场合相当适合。
台湾(东莞)玖容实业有限公司是一家专注于研发、生产气液增压缸、增压器、增压设备等气液转化元件之相关高新科技企业,采用全自动CNC数控设备生产,公司生产所有密封部件均采用进口部件(美国和日本进口密封件),确保产品使用寿命长、质量性能稳定,价格合理,并承诺免费保修2年(非人为损坏),这也使得众多的商家成为玖容的忠实客户,欢迎来电咨询,我们将竭诚为你解决增压、冲压方面技术问题。联系电话:0769-23103048 (www.twzyg.com)
'