可莱特STC45ML单层多色信号灯 直立型 LED三色信号灯
单层信号灯,可以传达2-3个颜色的 LED 信号,直立型产品,适合用于安装高度有限的小型机器
单层信号灯可以传达2-3个颜色信号的经济型产品
利用特殊反射镜聚集LED光线,发出与类似于灯泡灯丝的光线,提高远距离可见度
使用特殊灯罩,改善LED产品可见度下降的缺点
标准颜色(红-R黄-A ,黄-A绿-G颜色可以定做)
2色:红-R绿-G
3色:红-R黄-A绿-G
闪亮次数: 60~80/min.
内装蜂鸣器型音量: Max.90dB/m (可以定做2音蜂鸣器型产品)
材质:灯罩-AS,身体-ABS
技术认证: CE
保护等级: IP44 (内装蜂鸣器型: IP23)
可选型号:
STC45ML| LED长亮型
STC45MLF|LED长亮/闪亮型
STC45ML-BZ|内装蜂鸣器LED长亮型
STC45MLF-BZ|内装蜂鸣器LED长亮/闪亮型
产品规格:
型号 | 色数 | 电压 | 电流 | 重量 | 颜色 |
STC45ML STC45MLF STC45ML- BZ STC45MLF-BZ | 2 | AC/DC12V | 0.111A | 0.29Kg | 红-R 绿-G |
AC/DC24V | 0.100A | 0.29Kg |
3 | AC110V | 0.028A | 0.41Kg | 红-R 黄-A 绿-G |
AC220V | 0.014A | 0.41Kg |
音调详细规格:
名称 | 频 道 | 音 量 |
蜂鸣器1音 | PI-PI-PI连续音 | MAX90dB |
蜂鸣器2音 (定做) | PI-PI-PI连续音 PI-PI-PI断续音 | MAX90dB |
外形图:

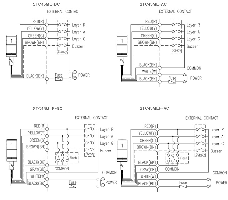
接线图:

接线方法:
DC长亮型产品
引出电源线,信号线规格: UL1007-NO.22(0.3sq) 400mm
黑色共用线表示负极(-),但产品内部有整流桥,产品不用分正负极。
AC长亮型, AC/DC长亮/闪亮型产品
引出电源线规格: UL1015-NO.18(0.75sq) x 2c 400mm
AC电压产品:不用分电源线颜色,可以交替接线。
DC电压产品:黑色线连接在负极(-)。
引出信号线规格: UL1007-NO.22 (0.3sq) 400mm
产品指定规格:
型号 | 蜂鸣器 | 颜色数 | 电压 | 颜色 |
STC45ML STC45MLF | 无指定(None) 标准型
BZ指(Order) 内装蜂鸣器型 | 2-2色 3-3色 | 12-DC12V 24-DC24V 10-AC110V 220-AC220V | ■红: R ■黄: A ■绿: G |
济南青岛滨州德州东营菏泽济宁莱芜聊城临沂莱州龙口日照泰安泰山滕州威海潍坊烟台枣庄淄博邹城多色信号灯价格
辽宁沈阳大连鞍山抚顺本溪丹东锦州营口阜新辽阳铁岭朝阳盘锦葫芦岛直立型LED三色信号灯专卖