更多
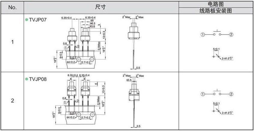
8*8防水轻触 洗衣机开关 插件开关 TVJP08
1台起批
0.01
点此议价
产品属性
图文详情
品牌推荐
品牌/型号
PENK/TVJP08,TC-1193
品牌
PENK
加工定制
最高电压
12(V)
型号
TVJP08,TC-1193
用途
家用电器
额定发热电流
50(A)
产品认证
ROHS
电工电料、线缆照明 > 电工电料 > 电工开关 >
马可波罗版权所有1999-2020