独家销售 欧洲瑞士佳乐品牌电极液位开关CLP4 CLD4系列 液位控制器



功能介绍:
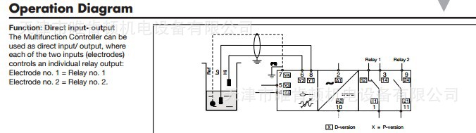
注水或排水或同时注水和排水通过DIP选择导电液体
产品规格:
![@[QVB`J]{3HI$ZFB0W9ZU_G](http://i03.c.aliimg.com/img/ibank/2013/685/595/910595586_1681861897.jpg)
![)0~C@9RIT9L]KZV@X)G$R$1](http://i03.c.aliimg.com/img/ibank/2013/385/595/910595583_1681861897.jpg)
佳乐授权一级代理商 正品承诺 原装进口

温馨提示:
同类产品型号品种繁多.图片只提供了基本的外型区分.产品详情请与客服人员联系.准确价格和货期须在确认型号后提供!
公司简介:
天津市唯肯顿机电设备有限公司是为工业生产过程提供自动化控制系统设计、制造和整合相关产品的科技型企业。公司拥有齐全的技术解决方案和优秀的专业技术人才以及完善优质的售后服务,从事控制系统设计、硬件制造和控制系统成套,为用户提供各种规模的自动控制成套设备和自动化控制系统。通过与施耐德、西门子、ABB等电气厂商的合作,不断完善系统更新更快更准的需求,为客户提供更为可靠的设计方案。
阿里网址:http://shop1366134836811.cn.alibaba.com
公司官网:www.wecand.com.cn
联系人:彭小姐
联系QQ:1907291258
联系电话:022-87631505
公司原景:


卖家保证:
我们保证正品,假一罚十,原装进口
![H}RI4VBR$FCL]5S`Z_I3NNL](http://i01.c.aliimg.com/img/ibank/2013/314/672/888276413_1681861897.jpg)