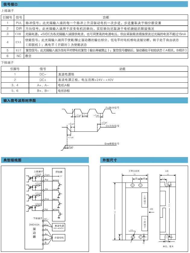
'
乐创步进电机驱动器DMD605 现货供应
亲
本店加入消费者保障服务,七天无理由退换服务,假一罚三服务,正品保证!绝无贴牌品及仿品,已向淘宝网提交保证金,请放心购买!此款驱动器研发与2002年,行业应用也有10多年,年销量达2万台。采用进口CPLD,噪音振动非常小,是款性价比很高的驱动器。
新店开张,冲量,大量现货中~~欢迎垂询13666261503
该系列驱动器共有6款,可配多款步进电机,请进店详细了解。


实物图:




配套电机请点击下图:

质量保证一年,本店为正规公司,加10个点可开增票。需要的客户请联系旺旺。或致电13666261503
'